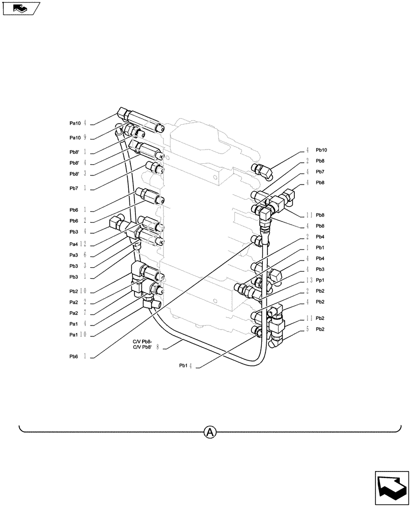
Запчасти Case CX27B ASN (35.322.10) - CONTROL LINES, MAIN (NIBBLER AND BREAKER) (35) - HYDRAULIC SYSTEMS

Схема запчастей Case CX27B ASN - (35.322.10) - CONTROL LINES, MAIN (NIBBLER AND BREAKER) (35) - HYDRAULIC SYSTEMS
1
2
10
11
4
7
1
3
12
13
4
2
4
1
4
1
4
4
3
4
6
4
1
8
9
4
4
4
2
11
5
4
10
home
2
1
2
FIT
1:1
100%

Артикул

Название

Примечание

Количество

.

Control Lines, Main (Nibbler & Breaker) PM06H00009F1

1шт.

1

HH25S04004G1

HYD CONNECTOR

, Serial Range: PV13-33453-PV13-33984

6шт.

1

HH25S04004G1

HYD CONNECTOR

, Start Serial: PV13-33985

5шт.

2

2444Z2525

HYD CONNECTOR

5шт.

3

2444T2524D2

HYD CONNECTOR

2шт.

4

HH35S04004G1

90 ELBOW

, Serial Range: PV13-33453-PV13-33984

12шт.

4

HH35S04004G1

90 ELBOW

, Start Serial: PV13-33985

11шт.

5

HH45S04004G1

45 ELBOW

1шт.

6

HH55Q04004G1

TEE,1/4" ORB x 1/4" JIC x 1/4" JIC

, Serial Range: PV13-33453-PV13-33984

1шт.

7

HH55L04004G1

TEE

, Serial Range: PV13-33453-PV13-33984

1шт.

7

HH55L04004G1

TEE

, Start Serial: PV13-33985

2шт.

8

HX33L03105DX

HOSE,4.8mm ID x 1050mm L

1шт.

9

HH25R04004G3

CONNECTION

1шт.

10

2444Z2894

90 ELBOW

2шт.

11

2444Z4239

TEE

2шт.

12

PU64H01002P1

HYD CONNECTOR

1шт.

13

PM12H01001P1

ELBOW

1шт.

Выбрано товаров: 17