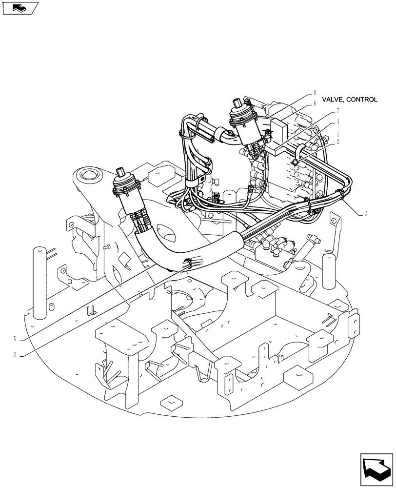
Запчасти Case CX27B ASN (35.322.12) - CONTROL LINES, REMOTE BTW PV13-33453 - PV13-33807 (35) - HYDRAULIC SYSTEMS

Схема запчастей Case CX27B ASN - (35.322.12) - CONTROL LINES, REMOTE BTW PV13-33453 - PV13-33807 (35) - HYDRAULIC SYSTEMS
6
3
2
1
home
4
3
7
8
5
FIT
1:1
100%

Артикул

Название

Примечание

Количество

Control Lines, Remote PV68H00018F1

1шт.

1

ZS18C08016

SCREW,Hex, M8 x 16mm

Cap

1шт.

2

ZW16H08000

WASHER

1шт.

3

PY01P01043D6

CABLE TIE,4.80mm W x 383mm L

2шт.

4

PW68H01041P1

CLAMP

1шт.

5

PM68H01057P1

COVER

1шт.

6

PM68H01054P1

FOAM INSULATION

1шт.

7

PM68H01055P1

FOAM INSULATION

1шт.

8

PH68H01042P1

RUBBER

1шт.

Выбрано товаров: 9