Запчасти Case CX27B ASN (35.322.13[01]) - CONTROL LINES, REMOTE ASN PV13-33808 (35) - HYDRAULIC SYSTEMS

Схема запчастей Case CX27B ASN - (35.322.13[01]) - CONTROL LINES, REMOTE ASN PV13-33808 (35) - HYDRAULIC SYSTEMS
5
10
8
19
23
25
26
7
18
12
22
11
6
14
16
24
23
13
1
26
15
2
21
4
3
22
9
20
17
25
FIT
1:1
100%

Артикул

Название

Примечание

Количество

.

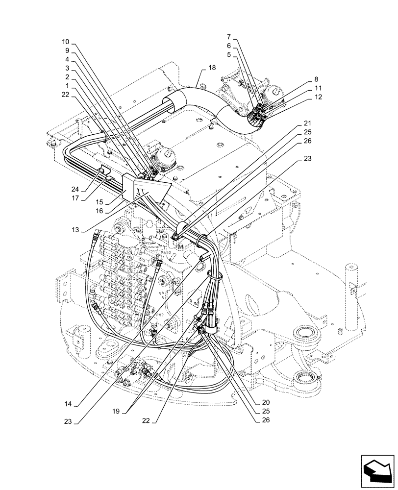
CONTROL LINES,REMOTE (BHL Multi) PM68H00022F1

1шт.

1

HX33L03190DR

HOSE,4.8mm ID x 1900mm L

1шт.

2

HX23L03165DB

HOSE,4.8mm ID x 1650mm L

1шт.

3

HX33L03084DG

HOSE

1шт.

4

HX23L03074DH

HOSE

1шт.

5

HX23L03310DH

HOSE,4.8mm ID x 3100mm L

1шт.

6

HX23L03280DR

HOSE,4.8mm ID x 2800mm L

1шт.

7

HX23L03230DB

HOSE

1шт.

8

HX23L03230DG

HOSE

, Serial Range: PV13-33808-PV13-34067

1шт.

8

HX23L03240DG

HOSE

, Start Serial: PV13-34068

1шт.

9

HX34L04155DX

HOSE,6.3mm ID x 1550mm L

1шт.

10

PW68H01023D3

HOSE,9.5mm ID x 880mm L

1шт.

11

HX24L04300DX

HOSE,6.3mm ID x 3000mm L

1шт.

12

PW68H01023D8

HOSE,9.5mm ID x 2400mm L

1шт.

13

PH68H01042P1

RUBBER

1шт.

14

YT21C01164DA

WEATHERSEAL STRIP

1шт.

15

PM68H01054P1

FOAM INSULATION

1шт.

16

PM68H01055P1

FOAM INSULATION

1шт.

17

PW68H01041P1

CLAMP

1шт.

18

PM68H01057P1

COVER

1шт.

19

ZC16X01800

CLIP

2шт.

20

ZC46X38014

CLIP

1шт.

21

ZC46X46014

CLIP

1шт.

22

PY01P01043D6

CABLE TIE,4.80mm W x 383mm L

3шт.

23

PY01P01043D8

CABLE TIE,102mm L

2шт.

24

ZM73C08016

BOLT,M8x16mm - Course Thread

1шт.

25

ZN18C12010

NUT

2шт.

26

ZW16H12000

WASHER

2шт.

Выбрано товаров: 28