Запчасти Case CX27B ASN (35.353.05) - CONTROL LINES, PROPEL (TRAVEL ALARM) (35) - HYDRAULIC SYSTEMS

Схема запчастей Case CX27B ASN - (35.353.05) - CONTROL LINES, PROPEL (TRAVEL ALARM) (35) - HYDRAULIC SYSTEMS
1
11
1
6
16
4
3
13
2
17
8
14
7
home
19
12
19
10
15
5
2
18
17
9
16
19
19
18
2
FIT
1:1
100%

Артикул

Название

Примечание

Количество

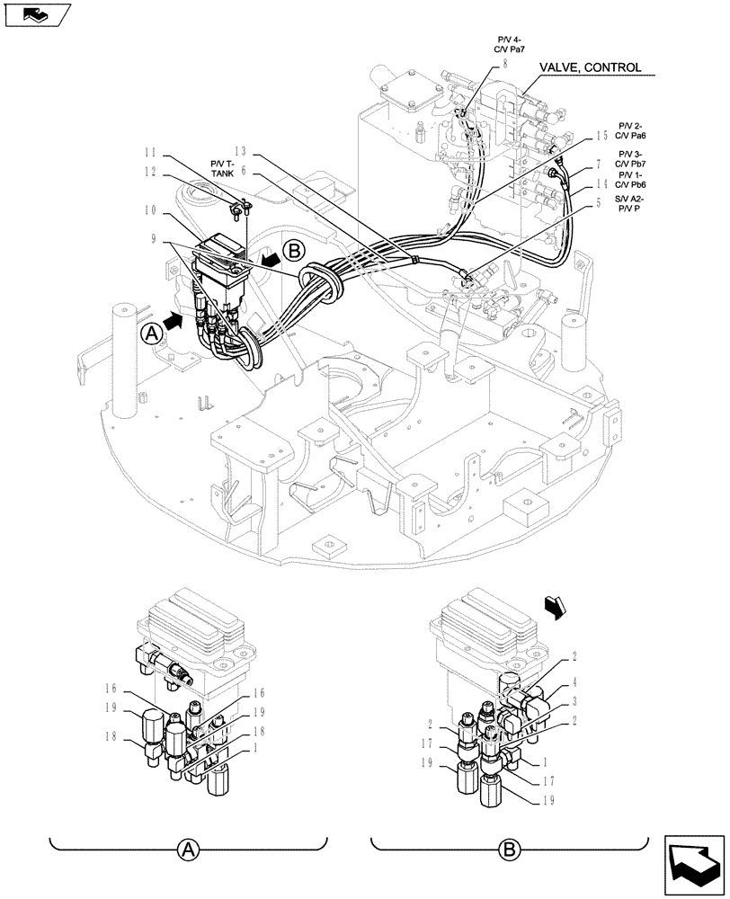
Control Lines, Propel (Travel Alarm) PM62H00012F1

1шт.

1

HH35S04004G1

90 ELBOW

2шт.

2

2444Z2525

HYD CONNECTOR

3шт.

3

HH35S04004G2

90 ELBOW

1шт.

4

HH35S06004G1

90 ELBOW

1шт.

5

HX34L04105DX

HYDRAULIC HOSE

1шт.

6

PW68H01023DA

HOSE,9.5mm ID x 800mm L

1шт.

7

HX23L03145DX

HOSE,4.8mm ID x 1450mm L

1шт.

8

HX33L03120DX

HOSE,4.8mm ID x 1200mm L

1шт.

9

PW62H01001P1

GROMMET

2шт.

10

PM30V00019F6

PILOT VALVE

1шт.

11

ZS18C08025

SCREW,Hex, M8 x 25mm

Cap

4шт.

12

PW62H01003P1

PLATE

2шт.

13

ZC16X01800

CLIP

1шт.

14

HX33L03140DX

HOSE

1шт.

15

HX33L03110DX

HOSE,4.8mm ID x 1100mm L

1шт.

16

2444Z2894

90 ELBOW

2шт.

17

2444Z4231

ELBOW

2шт.

18

PV62H01001P1

ELBOW

2шт.

19

GB50S00049F2

SWITCH

Pressure

4шт.

Выбрано товаров: 20