Запчасти Case CX27B BTW (02-001) - LOW GROUP (PV01F00005F1, PV53D00008F1, PM19H00009F2) (39) - FRAMES AND BALLASTING

Схема запчастей Case CX27B BTW - (02-001) - LOW GROUP (PV01F00005F1, PV53D00008F1, PM19H00009F2) (39) - FRAMES AND BALLASTING
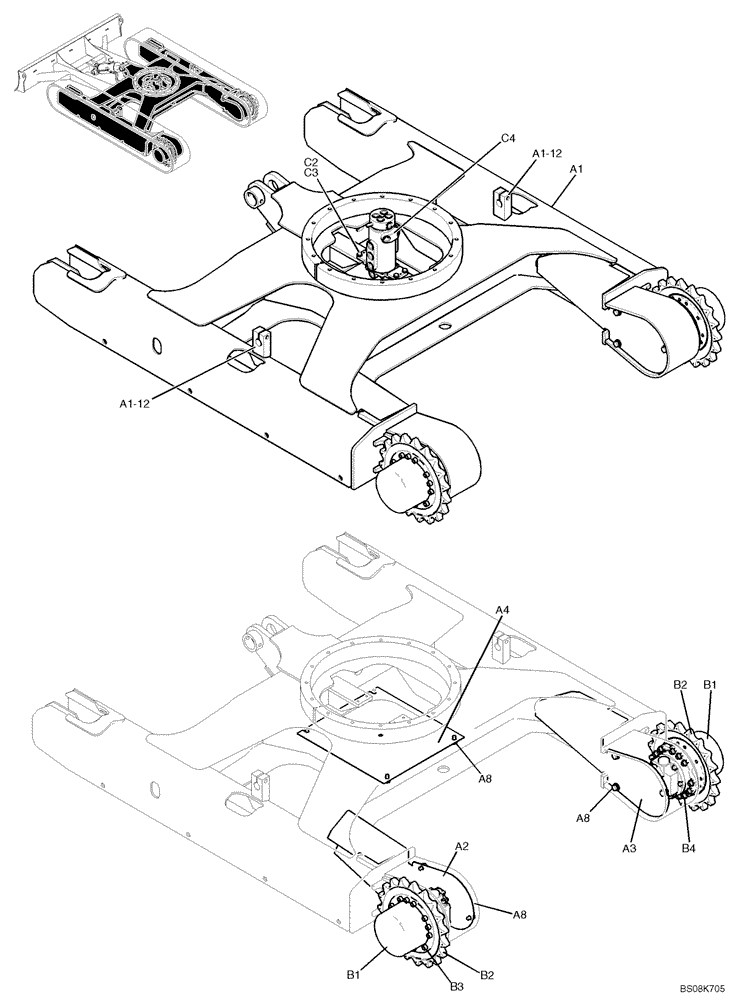
b2
a3
a2
b1
c4
b4
a1
c2
b2
a8
a1-12
a8
b3
a1-12
a4
c3
b1
a8
FIT
1:1
100%

Артикул

Название

Примечание

Количество

LOW GROUP, PV01F00005F1

1шт.

a1

PV02F00048P1

FRAME, Low

1шт.

a1-12

PV07F01114P1

SUPPORT

2шт.

a2

PV01F01024P1

COVER

1шт.

a3

PV01F01025P1

COVER

1шт.

a4

PM01F01008P1

COVER

1шт.

a8

ZM73C10016

BOLT,M10x16mm - Course Thread

Sems

10шт.

MOTOR INSTAL, PROPEL, PV53D00008F1

1шт.

b1

PM15V00021F1

HYDRAULIC MOTOR,671CC

Assy; See Figure 07-021

2шт.

PM15V00021F1R

REMAN-HYD MOTOR

CX27B COMPACT CRAWLR EXCAVATR TIER 4 (NA) - BTW PV13-33292 - PV13-33452 & N8 (11/08-)

2шт.

PM15V00021F1C

CORE-MOTOR HYDRAULIC

Return Number

1шт.

b2

PV51D01002P1

SPROCKET,19 teeth, 318mm OD

2шт.

b3

ZS28C10025

SCREW,Hex Socket Head, M10 x 25mm

Cap

24шт.

b4

ZS18C10025

SCREW,Hex, M10 x 25mm

24шт.

JOINT INSTAL, SWIVEL, PM19H00009F2

1шт.

c2

ZS18C08025

SCREW,Hex, M8 x 25mm

Cap

4шт.

c3

ZW16X08000

WASHER,8mm ID x 17mm OD x 1.6mm Thk

4шт.

c4

PM55V00012F2

HYDRAULIC SWIVEL

Joint Assy; See Figure 07-045

1шт.

Выбрано товаров: 18