Запчасти Case CX27B BTW (08-014) - STARTING MOTOR (55) - ELECTRICAL SYSTEMS

Схема запчастей Case CX27B BTW - (08-014) - STARTING MOTOR (55) - ELECTRICAL SYSTEMS
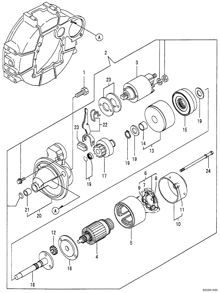
21
2
16
20
19
12
11
5
10
13
7
19
23
14
1
22
8
23
3
19
6
17
4
15
9
19
18
24
FIT
1:1
100%

Артикул

Название

Примечание

Количество

STARTING MOTOR

1шт.

1

VV26116120252

BOLT

M12 x 25 Plated

2шт.

2

VV12924277010

STARTER MOTOR

1шт.

3

VV12969877020

SWITCH

Assy

1шт.

4

VV12924277100

ARMATURE

Assy

1шт.

5

VV12924277110

HOUSING

Assy

1шт.

6

VV12924277120

BRUSH HOLDER

Assy

1шт.

7

VV12924277130

COMMUTATOR BRUSH

(-)

2шт.

8

VV12924277140

BRUSH SET

(+) Set

1шт.

9

VV12924277150

SPRING

4шт.

10

VV12924277160

COVER

Assy

1шт.

11

VV12924277170

COVER

Metal

1шт.

12

VV11840077170

GEAR

Plannet

3шт.

13

VV12924277180

BRACKET

Center (P)

1шт.

14

VV12969877190

BRACKET

1шт.

15

VV12969877200

GEAR

Internal

1шт.

16

VV12924277210

BRACKET

Center (A)

1шт.

17

VV12969877220

PINION

Assy

1шт.

18

VV12969877230

SHAFT

(Pinion)

1шт.

19

VV12969877250

WASHER

Set

1шт.

20

VV12924277260

HOUSING

Assy

1шт.

21

VVX2114535200

SLEEVE

Starter

1шт.

22

VV12924277270

LEVER

Set

1шт.

23

VV12924277280

COVER

Dust Kit

1шт.

24

VV12419577770

BOLT

Through

2шт.

Выбрано товаров: 25