Запчасти Case CX27B BTW (08-015) - GENERATOR (55) - ELECTRICAL SYSTEMS

Схема запчастей Case CX27B BTW - (08-015) - GENERATOR (55) - ELECTRICAL SYSTEMS
19
5
7
33
8
27
16
10
15
34
24
12
40
1
39
21
9
26
17
13
3
35
32
20
29
36
6
14
23
38
22
18
25
30
4
11
31
2
28
FIT
1:1
100%

Артикул

Название

Примечание

Количество

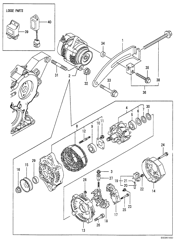
GENERATOR

1шт.

1

VV11994077310

ADJUSTER

Belt

1шт.

2

VV12942377200

ALTERNATOR

1шт.

3

VVX9490561001

NUT

1шт.

4

VV11962077380

ROTOR ASSY.

1шт.

5

VV11962079240

BALL BEARING

1шт.

6

VV11962079250

COVER ASSY

Bearing

1шт.

7

VV11962079360

WASHER, THRUST

1шт.

8

VV11962077421

FRAME

Assy, Drive

1шт.

9

VV11962079200

BALL BEARING

1шт.

10

VV11962079210

PLATE

1шт.

11

VV11962079220

SCREW

4шт.

12

VV11962079230

BOLT

Stud

2шт.

13

VV11962077440

FRAME

Assy, Rear

1шт.

14

VV12942377450

COVER

1шт.

15

VV11962077461

PULLEY

1шт.

16

VV11962077471

NUT

1шт.

17

VV12942377710

REGULATOR

Assy

1шт.

18

VV11962079260

HOLDER

1шт.

19

VV11962079270

BRUSH HOLDER

1шт.

20

VV11962077480

COMMUTATOR BRUSH

2шт.

21

VV11962079280

SPRING

2шт.

22

VV11962079290

SCREW

1шт.

23

VV11962079300

SCREW

1шт.

24

VV11962079310

BOLT

3шт.

25

VV11962079320

SCREW

W/Washer

2шт.

26

VV11962079330

BOLT

2шт.

27

VV11962079340

FOAM INSULATION

1шт.

28

VV11962079350

NUT

2шт.

29

VV11962077490

COLLAR

1шт.

30

VV11962079360

WASHER, THRUST

1шт.

31

VV12979501900

STUD

1шт.

32

VV26306100002

NUT,M10

1шт.

33

VV26106080452

BOLT,M8 x 45mm

M8 x 45 Plated

1шт.

34

VV11994077270

SPACER

Adjuster

1шт.

35

VV26106080502

BOLT,M8 x 50mm

M8 x 50 Plated

1шт.

36

VV11962477350

BLOCK

Generator CMP

1шт.

38

VV26106081004

BOLT

8*100

1шт.

39

VV11980277200

RELAY

1шт.

40

VV12921177920

TIMER

Timer

1шт.

Выбрано товаров: 40