Запчасти Case CX27B BTW (06-018) - NAME PLATE INSTALLATION (WARNING) (PW22T00172F1) (90) - PLATFORM, CAB, BODYWORK AND DECALS

Схема запчастей Case CX27B BTW - (06-018) - NAME PLATE INSTALLATION (WARNING) (PW22T00172F1) (90) - PLATFORM, CAB, BODYWORK AND DECALS
5
4
5
3
4
2
5
2
3
1
1
FIT
1:1
100%

Артикул

Название

Примечание

Количество

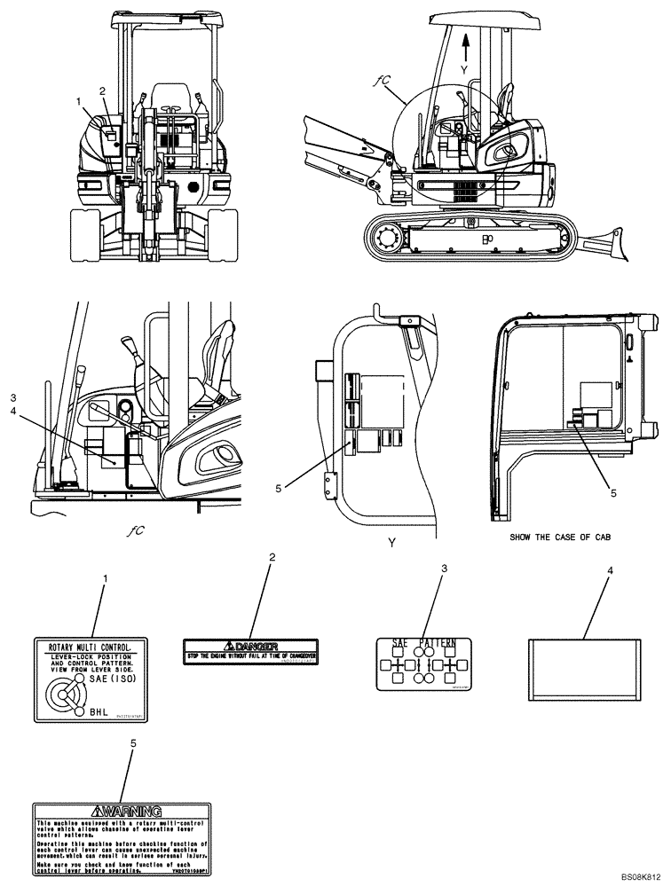
NAME PLATE INSTAL (WARNINGS), PW22T00172F1

1шт.

1

PW20T01133P1

LABEL

Decal, Rotary Multi Control Lever-Lock Position and Control Pattern. …

1шт.

2

YN20T01214P1

LABEL

Decal, Danger, Stop the engine without fail at time of changeover…

1шт.

3

YN20T01476P1

LABEL

Decal, Control location and positions

1шт.

4

YN20T01475P1

LABEL

Holder

1шт.

5

YN20T01039P1

WARNING DECAL

Warning, This machine equipped with a rotary multi-control valve which allows changing of…

1шт.

Выбрано товаров: 6