Запчасти Case CX27B BTW (08-004) - CYLINDER HEAD & BONNET (10) - ENGINE

Схема запчастей Case CX27B BTW - (08-004) - CYLINDER HEAD & BONNET (10) - ENGINE
13
38
27
13
54
46
1
21
13
33
29
14
10
42
9
6
50
7
2
43
27
44
38
36
51
2
38
25
11
41
3
30
9
13
13
38
49
40
11
14
52
15
53
19
24
32
55
4
26
10
11
1
34
10
10
8
36
35
23
6
7
45
8
11
39
38
10
9
11
26
10
13
11
56
28
37
FIT
1:1
100%

Артикул

Название

Примечание

Количество

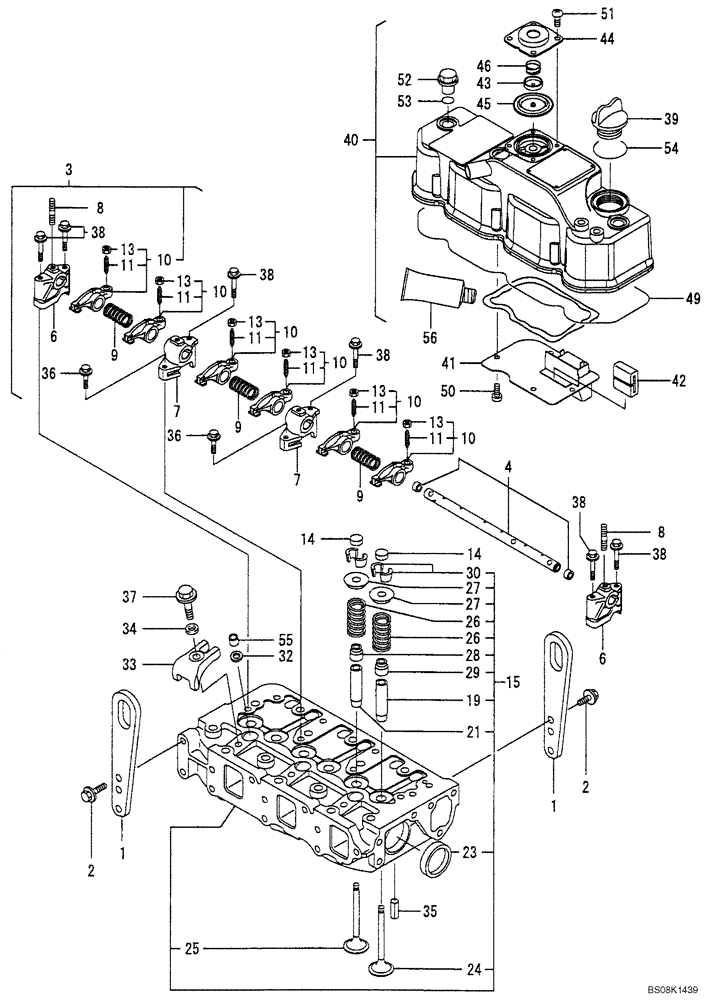
CYLINDER HEAD & BONNET

1шт.

1

VV12990007900

GRAIN LIFTER

Engine

2шт.

2

VV26106080142

BOLT,M8 x 14mm

M8 x 14 Plated

4шт.

3

VV11980211241

SHAFT ASSY.

Rocker

1шт.

4

VV11980211251

SHAFT

Rocker Arm

1шт.

6

VV11980211260

SUPPORT

Rocker Arm

2шт.

7

VV11980211270

SUPPORT

Rocker Arm

2шт.

8

VV11980211280

STUD

3шт.

9

VV12915011280

SPRING

3шт.

10

VV11980211650

ROCKER ARM

Assy

6шт.

11

VV12915011230

SCREW

Valve

6шт.

13

VV12915011750

NUT

M8 x P1.0

6шт.

14

VV10421111370

CAP

Valve

6шт.

15

VV11980211700

CYLINDER HEAD

Assy (1) Repair Part

1шт.

19

VV12406011800

VALVE GUIDE

(1) Repair Part

3шт.

21

VV11980211810

VALVE GUIDE

3шт.

23

VV27241400000

PLUG

40

2шт.

24

VV11980211100

STD INLET VALVE

STD ENGINE INLET VALVE

3шт.

25

VV11980211110

STD EXHAUST VALVE

STD ENGINE EXHAUST VALVE

3шт.

26

VV11981011120

SPRING

Valve

6шт.

27

VV10421111180

RETAINER

Spring

6шт.

28

VV12416011340

SEAL

Valve Stem

3шт.

29

VV12495011340

SEAL

Valve Stem

3шт.

30

VV27310070001

ROCKER ARM COTTER

Assy

6шт.

32

VV11962511880

SEAL

Nozzle

3шт.

33

VV11980211900

RETAINER

Nozzle

3шт.

34

VV12027054410

WASHER

3шт.

35

VV22351060012

SPRING,6 x 12mm

Pin 6 x 12

2шт.

36

VV26106080252

BOLT,M8 x 25mm

M8 x 25 Plated

2шт.

37

VV26106080452

BOLT,M8 x 45mm

M8 x 45 Plated

3шт.

38

VV26106080502

BOLT,M8 x 50mm

M8 x 50 Plated

6шт.

39

VV12416001751

CAP

Filler

1шт.

40

VV11980211350

COVER

Assy, Head

1шт.

41

VV11980203010

PLATE

Baffle

1шт.

42

VV12915003070

BAFFLE

Breather

1шт.

43

VV11980203110

PLATE

Diaphragm

1шт.

44

VV11980203120

COVER ASSY

Diaphragm

1шт.

45

VV11980203130

DIAPHRAGM

1шт.

46

VV11980203140

SPRING

Diaphragm

1шт.

49

VV11980211310

GASKET

Bonnet

1шт.

50

VV22857500100

SCREW,M5 x 10mm

5 x 10, Tapping

4шт.

51

VV22857500100

SCREW,M5 x 10mm

5 x 10, Tapping

4шт.

52

VV12416011360

KNOB

3шт.

53

VV24311000120

O-RING

1A P 12.0

3шт.

54

VV24311000320

O-RING

1A P-32. 0

1шт.

55

VV11980211870

PROTECTOR

3шт.

56

VV97777001212

GASKET

Liquid, (2) Optional Part

1шт.

Выбрано товаров: 0