Запчасти Case CX27B BTW (08-011) - FUEL INJECTION PUMP (10) - ENGINE

Схема запчастей Case CX27B BTW - (08-011) - FUEL INJECTION PUMP (10) - ENGINE
4
3
1
2
FIT
1:1
100%

Артикул

Название

Примечание

Количество

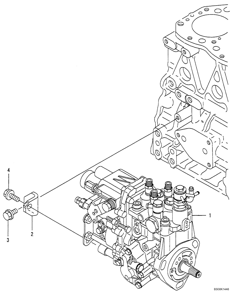
FUEL INJECTION PUMP

1шт.

1

VV71994051340

FUEL INJECTION PUMP

Assy, F. Inject

1шт.

2

VV11980251250

BRACKET

Pump

1шт.

3

VV26106080162

BOLT,M8 x 16mm

M8 x 16 Plated

1шт.

4

VV26106080202

BOLT,M8 x 20mm

M8 x 20 Plated

1шт.

Выбрано товаров: 5