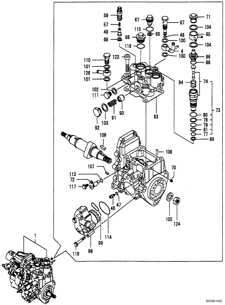
Запчасти Case CX27B BTW (08-017) - FUEL INJECTION PUMP, (VV71994051340) (10) - ENGINE

Схема запчастей Case CX27B BTW - (08-017) - FUEL INJECTION PUMP, (VV71994051340) (10) - ENGINE
84
102
107
126
78
104
100
110
105
80
109
116
113
65
103
66
68
88
1
67
89
106
123
72
98
4
111
124
117
90
77
100
57
115
81
99
101
114
48
91
118
58
71
49
104
70
79
87
101
69
46
92
86
83
74
73
47
FIT
1:1
100%

Артикул

Название

Примечание

Количество

FUEL INJECTION PUMP

1шт.

1

VV71994051340

FUEL INJECTION PUMP

Assy

1шт.

4

VV15855251670

BANJO FITTING

JOINT

1шт.

46

VV15860051270

STOP

STOPPER

1шт.

47

VV15856351281

O-RING

O-RING

1шт.

48

VV15856351281

O-RING

O-RING

1шт.

49

VV15856051300

VALVE

VALVE, Assy, Delivery

3шт.

57

VV15856351330

SPRING

SPRING

3шт.

58

VV15860151340

HOLDER

HOLDER, Delivery

3шт.

65

VV15855351551

BANJO FITTING

JOINT, Cooling Water

1шт.

66

VV15860151550

PLUG

PLUG

1шт.

67

VV11980251560

PLUG

BARREL, Plug

1шт.

68

VV15855251570

SEAL

PK (Barrel Plug)

3шт.

69

VV15855251570

SEAL

PK (Barrel Plug)

1шт.

70

VV15855751570

PLUG

PLUG

1шт.

71

VV15860151570

PLUG

PLUG, Water Pump

1шт.

72

VV15855251580

LEVER & PIN ASSY

LIFTER

1шт.

73

VV11980251590

TIMER

TIMER, Set

1шт.

74

VV11980251600

TIMER

TIMER, CMP

1шт.

77

VV15855351670

O-RING

O-RING, 1011

1шт.

78

VV11980251680

BACK-UP RING

RING, Backup

1шт.

79

VV11980251690

O-RING

O-RING

1шт.

80

VV24356010200

O-RING

PACKING, 1020

1шт.

81

VV24372000150

BACK-UP RING

RING, Backup T2 P15

1шт.

83

VV15855251600

SEAL

PACKING, Head

1шт.

84

VV15855351630

SPRING

SPRING, Timer

1шт.

86

VV15855351640

ELEMENT

ELEMENT, Thermo

1шт.

87

VV15860151650

BANJO FITTING

JOINT

1шт.

88

VV15855351660

O-RING

O-RING, P14

1шт.

89

VV15855351680

SEAL

PACKING, Timer

1шт.

90

VV15860151770

PISTON

PISTON

1шт.

91

VV15855251780

DAMPER

DAMPER, Assy

1шт.

92

VV15860151790

PLUG

PLUG

1шт.

98

VV15855252100

FUEL PUMP

PUMP, Assy Feed

1шт.

99

VV15855252310

O-RING

ORING

1шт.

100

VV22190120002

SEAL

Washer 12

2шт.

101

VV22190120002

SEAL

Washer 12

2шт.

102

VV22190120002

SEAL

Washer 12

1шт.

103

VV22190180002

SEAL

SEAL Washer 18

1шт.

104

VV22190180002

SEAL

SEAL, Washer 18

2шт.

105

VV22217140000

SPRING WASHER

14

1шт.

106

VV22312050140

PARALLEL PIN,M5 x 14mm

PIN, Parallel 5 x 14

2шт.

107

VV22351050010

SPRING,5 x 10mm

Pin 5 x 10

2шт.

109

VV11980251090

WOODRUFF KEY,M4 x 16mm

KEY, Woodruff 4 x 16

1шт.

110

VV23857060000

BANJO BOLT

JOINT, Bolt 6, Pipe

1шт.

111

VV23887120002

PLUG

PLUG, M12, Hex.

1шт.

113

VV24311000070

O-RING

O-RING, 1A P-7. 0

1шт.

114

VV15855252400

O-RING

O-RING, 4E S42

1шт.

115

VV24356010180

O-RING

O-RING, G

1шт.

116

VV24356010200

O-RING

PACKING, 1020

1шт.

117

VV26106060102

BOLT,M6 x 10mm

M6 x 10 Plated

1шт.

118

VV15855351770

SCREW

BOLT

4шт.

123

VV26450080452

SCREW,M8 x 45mm

BOLT, M8 x 45

4шт.

124

VV26776140002

LOCK NUT,M14

M14 Plated

1шт.

126

VV12991659020

BANJO FITTING

JOINT, 12, Pipe

1шт.

Выбрано товаров: 55