Запчасти Case CX27B PV13 (03-004) - CYINDER INSTAL (CANOPY) Attachments

Схема запчастей Case CX27B PV13 - (03-004) - CYINDER INSTAL (CANOPY) Attachments
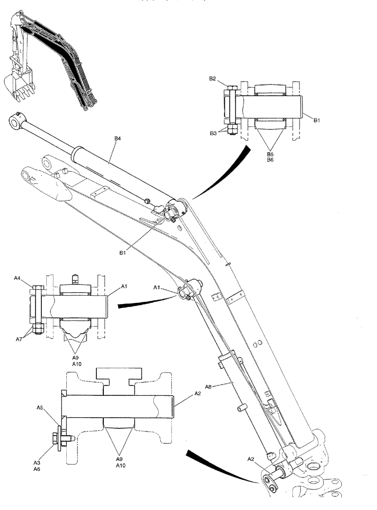
b1
a5
a5
a3
a9
a9
a8
b2
b6
b3
a10
b1
b5
a2
a7
a1
a1
a4
b4
a10
a2
FIT
1:1
100%

Артикул

Название

Примечание

Количество

CYLINDER INSTAL (PV02B00167F1)

1шт.

a1

PM02B01321P1

PIN,40mm OD x 138mm L

1шт.

a2

PM02B01391P1

PIN

1шт.

a3

ZS18C10020

SCREW,Hex, M10 x 20mm

Cap

1шт.

a4

HS18C10080G3

BOLT

CAP

1шт.

a5

2418T21137

WASHER

1шт.

a6

ZW26X10000

LOCK WASHER

1шт.

a7

ZN18C10008

NUT

2шт.

a8

PV01V00061F1

CYLINDER

ASSY, BOOM

1шт.

SEE (C.P.M)

1шт.

a9

PR02B01123D1

SHIM,0.9mm Thk

2шт.

a10

PR02B01107P1

SHIM,0.5mm Thk

3шт.

CYLINDER INSTAL (PV02B00154F1)

1шт.

b1

PM02B01321P1

PIN,40mm OD x 138mm L

1шт.

b2

HS18C10080G3

BOLT

CAP

1шт.

b3

ZN18C10008

NUT

2шт.

b4

PV01V00062F1

CYLINDER

ASSY, ARM

1шт.

SEE (C.P.M)

1шт.

b5

PR02B01123D1

SHIM,0.9mm Thk

(6.9)

1шт.

b6

PR02B01107P1

SHIM,0.5mm Thk

2шт.

Выбрано товаров: 0