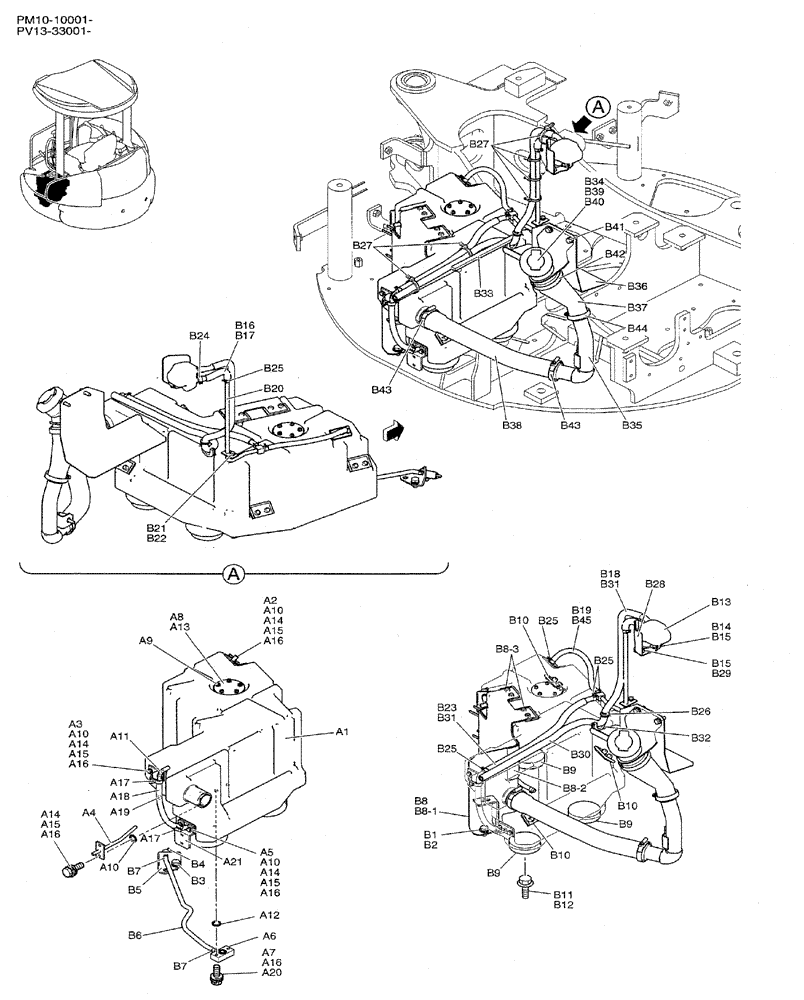
Запчасти Case CX27B PV13 (01-012) - TANK ASSEMBLY, FUEL (CANOPY) (05) - SUPERSTRUCTURE

Схема запчастей Case CX27B PV13 - (01-012) - TANK ASSEMBLY, FUEL (CANOPY) (05) - SUPERSTRUCTURE
a4
a14
b11
a10
a16
a19
a16
b28
b27
b8
a17
b29
a15
b34
b43
b8-2
b25
b9
b10
a15
a14
a17
b37
b20
a21
b45
b4
b39
a15
b7
a5
a1 0
b2
b1
b31
a12
a1
b38
a11
a18
a14
a16
b43
b30
a16
b25
b41
b17
b7
b12
b25
a7
b6
b19
a16
b9
b14
b24
b8-1
a14
b18
b5
b42
a9
b3
a15
a13
b8-3
a20
b40
b22
a10
b10
a10
b9
b23
a8
b35
b32
b10
a6
b26
b31
b13
b25
b21
b16
b15
b44
a2
b36
b33
b27
b15
a3
FIT
1:1
100%

Артикул

Название

Примечание

Количество

TANK ASSY, FUEL (PM20P00009F1)

1шт.

a1

PM20P00008P1

FUEL TANK

ASSY

1шт.

a2

PW20P01325P1

FLANGE

1шт.

a3

PW20P01288P1

FLANGE

1шт.

a4

PW20P01272P1

FLANGE

1шт.

a5

PW20P01364P1

FLANGE

1шт.

a6

PW20P01302P1

FLANGE

1шт.

a7

ZS18C06030

SCREW,Hex, M6 x 30mm

CAP

2шт.

a8

PW20P01208P1

PACKING

1шт.

a9

ZM61C05012

BOLT

SEMS

5шт.

a10

2445Z1453D2

O-RING

4шт.

a11

PM20P01146P1

BRACKET

1шт.

a12

2445Z1453D9

O-RING

1шт.

a13

PX52S00006F1

SENSOR

ASSY, LEVEL

1шт.

a14

ZS18C06016

SCREW,Hex, M6 x 16mm

CAP

8шт.

a15

ZW16X06000

WASHER

8шт.

a16

ZW26X06000

LOCK WASHER

10шт.

a17

LE20P01012P1

CLAMP

2шт.

a18

PW20P01366P1

HOSE

HOSE

1шт.

a19

LE20P01014P1

BALL

1шт.

a20

ZW16H06000

WASHER

2шт.

a21

PW20P01355P1

PLATE

1шт.

TANK INSTAL, FUEL (PM20P00019F1)

1шт.

b1

ZS18C10020

SCREW,Hex, M10 x 20mm

Cap

2шт.

b2

ZW16H10000

WASHER

2шт.

b3

ZM22C10020

BOLT

SEMS

1шт.

b4

YN05P00010S007

COCK, DRAIN

1шт.

b5

PM05P01046P1

BOSS

1шт.

b6

PA21P01005DW

HOSE,7mm ID x 500mm L

1шт.

b7

PH05P01088D6

CLIP

CLIP

2шт.

b8

PW20P01222F1

BRACKET

ASSY

1шт.

b8-1

PW20P01312P1

BRACKET

1шт.

b8-2

PW20P01227P1

RUBBER

1шт.

b8-3

PW20P01207P1

RUBBER

2шт.

b9

PW20P01115P1

RUBBER

3шт.

b10

PW20P01207P1

RUBBER

3шт.

b11

ZS18C10016

SCREW,Hex, M10 x 16mm

CAP

3шт.

b12

ZW16K10000

WASHER

3шт.

b13

PW20P00039P1

TANK

FUEL

1шт.

b14

ZS18C08020

SCREW,Hex, M8 x 20mm

1шт.

b15

ZW16X08000

WASHER,8mm ID x 17mm OD x 1.6mm Thk

2шт.

b16

PW21P01003D4

TUBE

1шт.

b17

PW20P01348P1

HOSE

1шт.

b18

PM20P01127P1

HOSE

1шт.

b19

PW20P01285D7

HOSE

1шт.

b20

PW20P01353P1

TUBE

1шт.

b21

ZS18C06014

SCREW,Hex, M6 x 14mm

CAP

1шт.

b22

ZW16P06000

WASHER

1шт.

b23

PW20P01285D6

HOSE

1шт.

b24

PH05P01088D7

CLIP,13.6mm - 17.5mm

1шт.

b25

PH05P01088D4

CLIP

5шт.

b26

2420R372D13

GROMMET

1шт.

b27

PY01P01043D3

CABLE TIE,188mm L

5шт.

b28

PW20P01318P1

BRACKET

1шт.

b29

ZS18C08014

SCREW,Hex, M8 x 14mm

CAP

1шт.

b30

PU13E01002DC

TUBE

1шт.

b31

PU13E01002D7

TUBE

2шт.

b32

2420Z1342

GROMMET

1шт.

b33

YT21C01297D9

WEATHERSTRIP

1шт.

b34

PM20P01136P2

NECK FILLER

1шт.

b35

PM20P01147P1

PIPE

1шт.

b36

PM20P01138P1

PLATE

1шт.

b37

PM20P01139P1

HOSE

1шт.

b38

PM20P01141P1

HOSE

1шт.

b39

PW20P01282P1

CAP

1шт.

b40

PW50V00009P1

STRAINER ASSY.

1шт.

b41

ZM22C08025

BOLT

SEMS

3шт.

b42

ZC16X06700

CLIP,58mm - 76mm

1шт.

b43

ZC16X05000

CLIP

2шт.

b44

ZC16X04200

CLAMP

1шт.

b45

PW21P01003DU

PIPE

1шт.

Выбрано товаров: 71