Качественные детали и логистика
Оригинальные и аналоговые запчасти с доставкой по России, Казахстану и Беларуси
©2022 PartSell ООО "Система" ИНН 2463123282 ОГРН 1212400004838
Центральный офис: г. Красноярск, Академика Киренского, д.87, пом.4
Телефон: 8 (800) 777-65-74 Email: zakaz@partsell.ru
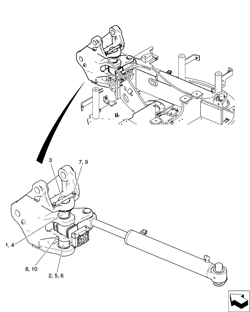
(01-004[00]) - BRACKET INSTAL,SWING
№
Артикул
Название
Примечание
Количество
PX02B00149F1
Instal, Swing
1шт.
1
PX02B01239P1
PIN,65mm OD x 163mm L
2
PX02B01275P1
PIN,65mm OD x 134mm L
3
PX02B01274P1
PLATE
4
PW02B01226P1
WASHER
5
2445R138D4
SEAL,65mm ID x 80mm OD x 4mm Thk
Dust
2шт.
6
PW02B01224P1
SHIM,0.5mm Thk
(0.5)
7
ZS18C10025
SCREW,Hex, M10 x 25mm
Cap
8
HS18C12150G1
SCREW
9
ZW26X10000
LOCK WASHER
10
ZN18C12010
NUT
Выбрано товаров: 0