Запчасти Case CX31B (01-026[04]) - POWER TAKE-OFF ASSY, COOLER (35) - HYDRAULIC SYSTEMS

Схема запчастей Case CX31B - (01-026[04]) - POWER TAKE-OFF ASSY, COOLER (35) - HYDRAULIC SYSTEMS
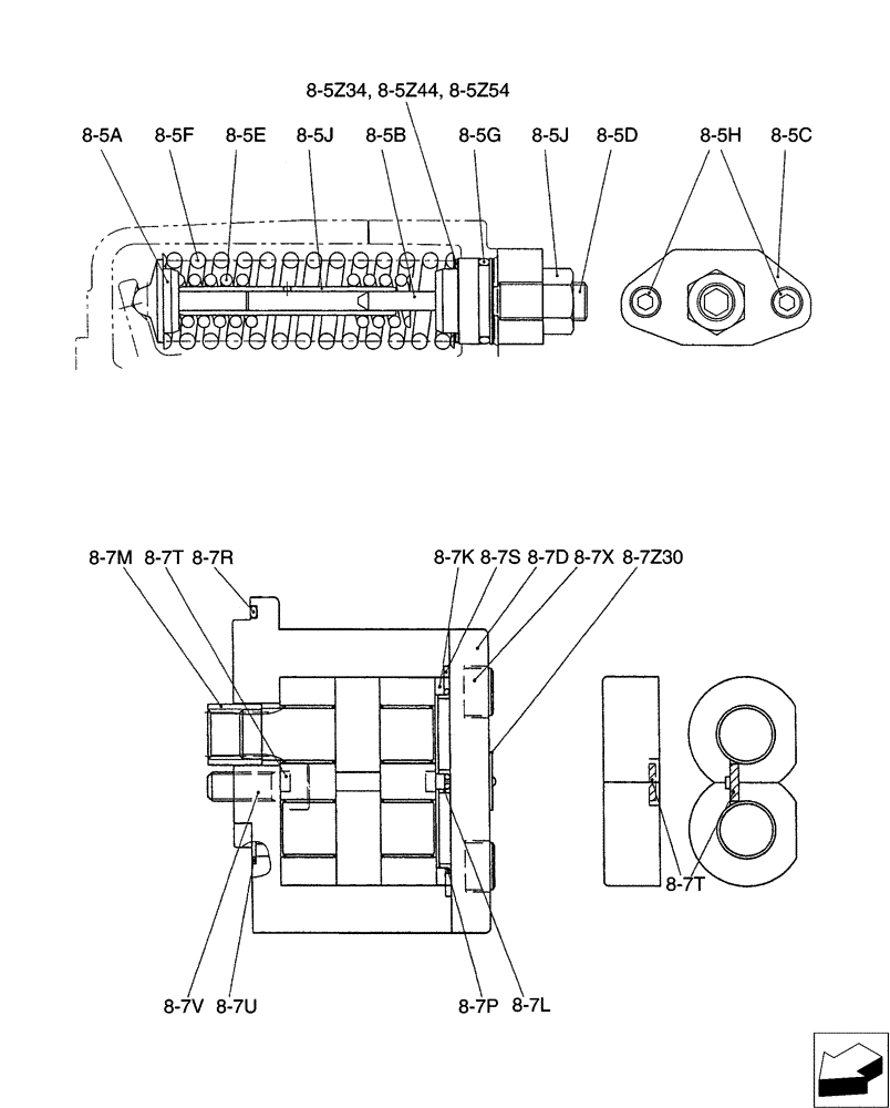
8-7x
8-7k
8-5a
8-5b
8-5j
8-5d
8-7p
8-5z54
8-7d
8-5z34
8-5f
8-7t
8-7v
8-5e
8-7l
8-7m
8-5g
8-5j
8-5c
8-7t
8-7s
8-7z30
8-7u
8-5h
8-5z44
8-7r
FIT
1:1
100%

Артикул

Название

Примечание

Количество

8-5a

PX10V01008S001

SEAT

1шт.

8-5b

PX10V01008S002

SEAT

1шт.

8-5c

PX10V01008S003

COVER

1шт.

8-5d

PY10V01004S004

ADJUSTMENT SCREW

1шт.

8-5e

PX10V01008S005

SPRING

1шт.

8-5f

PX10V01008S006

SPRING

1шт.

8-5g

ZD11P03000

O-RING

1шт.

8-5h

ZS23C08030

SCREW,Hex Socket Head, M8 x 30mm

Cap

2шт.

8-5j

PY10V01004S009

NUT

1шт.

8-5z34

PX10V01008S034

SHIM,1.0mm Thk

2шт.

8-5z44

PX10V01008S044

SHIM,0.5mm Thk

2шт.

8-5z54

PX10V01008S054

SHIM,0.3mm Thk

2шт.

8-7d

PM10V00014S004

COVER

1шт.

8-7k

PX10V00014S010

PLATE

2шт.

8-7l

2441U466S48

GUIDE

2шт.

8-7m

PM10V00014S012

COUPLING

1шт.

8-7p

2441U661S13

O-RING

2шт.

8-7r

ZD11G09000

O-RING,89.40mm ID x 95.60mm OD x 3.10mm

1шт.

8-7s

2441U661S11

RING

1шт.

8-7t

2437U392S16

RING

2шт.

8-7u

ZD12P00600

O-RING

1шт.

8-7v

ZS23C10025

SCREW,Hex Socket Head, M10 x 25mm

Cap

2шт.

8-7x

ZS23C10020

SCREW,Hex Socket Head, M10 x 20mm

Cap

4шт.

8-7z30

PX10V00014S030

IDENTITY PLATE

1шт.

Выбрано товаров: 24