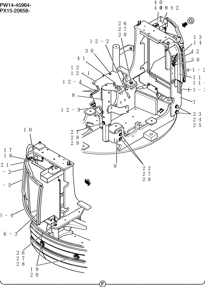
Запчасти Case CX31B (242-01[4]) - GUARD INSTAL (CAB) (00) - GENERAL & PICTORIAL INDEX

Схема запчастей Case CX31B - (242-01[4]) - GUARD INSTAL (CAB) (00) - GENERAL & PICTORIAL INDEX
6-3
28
30
12-3
19
21
14
27
29
11-1
40
11-3
25
42
18
27
17
6-2
24
28
28
12
12-1
41
27
12-2
30
10
12-4
40-1
22
13
28
20
40-2
11-2
26
26
11
8
6-5
9
6-4
23
7
27
FIT
1:1
100%

Артикул

Название

Примечание

Количество

6/2/2009

YJ21C01079D2

WEATHERSTRIP

1шт.

6/3/2009

YT21C01163D3

WEATHERSTRIP

1шт.

6/4/2009

YT21C01163D7

WEATHERSTRIP

1шт.

6/5/2009

YJ21C01079D7

WEATHERSTRIP

1шт.

7

PW21C01788P1

SUPPORT

1шт.

8

PW21C01715P2

STAY

1шт.

9

PW21C01652P1

BRACKET

1шт.

10

PW21C01669P1

STAY

1шт.

11

PW21C01797F1

PLATE

Plate

1шт.

11/1/2009

PW21C01785P1

PLATE

1шт.

11/2/2009

2427P1836D28

WEATHERSTRIP

1шт.

11/3/2009

PH21C01136DK

RUBBER WEATHERSTRIP

Strip, Weather

1шт.

12

PW21C01660F1

GUARD ASSY.

1шт.

12/1/2009

PW21C01661P1

GUARD

1шт.

12/2/2009

YT21C01037D1

TRIM PANEL

1шт.

12/3/2009

YJ21C01146D1

TRIM PANEL

1шт.

12/4/2009

YJ21C01146D5

SOFT TRIM

1шт.

13

PW21C01689P1

STRIKER PLATE

1шт.

14

PW21C01699D1

SHIM

2шт.

17

ZW16X08000

WASHER,8mm ID x 17mm OD x 1.6mm Thk

1шт.

18

2419R9D2

COTTER PIN

Snap

1шт.

19

PA41C01005D3

BOLT

Sems

2шт.

20

YT21C01187P2

WASHER

2шт.

21

PA21C01133P1

BOLT

Sems

2шт.

22

ZS18C12045

SCREW,Hex, M12 x 45mm

Cap

2шт.

23

ZS18C16055

SCREW,Hex, M16 x 55mm

Cap

2шт.

24

ZW26X16000

LOCK WASHER

2шт.

25

ZW16H16000

WASHER

2шт.

26

ZS18C12050

SCREW,Hex, M12 x 50mm

Cap

2шт.

27

ZW26X12000

LOCK WASHER

6шт.

28

2418T10357

WASHER

6шт.

29

ZS18C12035

SCREW,Hex, M12 x 35mm

Cap

2шт.

30

ZM22C08020

BOLT

Sems

4шт.

40

PW21C01741F1

BOX

Assy

1шт.

40-1

PW21C01748P1

BOX

1шт.

40-2

PW21C01729P2

RUBBER

1шт.

41

PM21C01202P1

BOLT

Sems

1шт.

42

YR21C01159P1

BOLT

Sems

2шт.

Выбрано товаров: 38