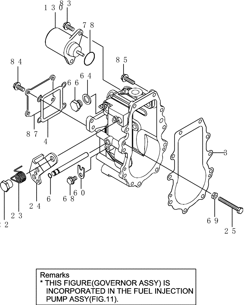
Запчасти Case CX31B (3TNV88-BPYB-24) - GOVERNOR (00) - GENERAL & PICTORIAL INDEX

Схема запчастей Case CX31B - (3TNV88-BPYB-24) - GOVERNOR (00) - GENERAL & PICTORIAL INDEX
130
6
66
84
23
64
69
3
4
25
85
87
68
78
22
83
24
60
FIT
1:1
100%

Артикул

Название

Примечание

Количество

3

VV15855361050

SEAL

Packing, Case

1шт.

4

VV15855361070

SEAL

Packing

1шт.

6

VV12915551280

O-RING

S6

1шт.

22

VV12925561410

NUT

1шт.

23

VV11980761420

TORSION SPRING

1шт.

24

VV15855261441

LEVER

Regulator

1шт.

25

VV12915561460

BOLT

Idle Limit

1шт.

60

VV11966061901

RETAINER

Shaft

1шт.

64

VV22190120000

SEAL

Washer 12 (bolt)

1шт.

66

VV23887120002

PLUG

M12, Hex.

1шт.

68

VV26106060102

BOLT,M6 x 10mm

6x10 Plated

1шт.

69

VV26756060002

LOCK NUT,M6

Stud, Cyl. Head

1шт.

78

VV15855261900

O-RING

O-ring

1шт.

83

VV26106060142

BOLT,M6 x 14mm

M6x14 Plated

2шт.

84

VV26106060142

BOLT,M6 x 14mm

M6x14 Plated

4шт.

85

VV26106060202

BOLT,M6 x 20mm

M6x20 Plated

10шт.

87

VV12964261060

COVER

Case

1шт.

130

VV11923377932

SOLENOID

Stop

1шт.

Выбрано товаров: 18