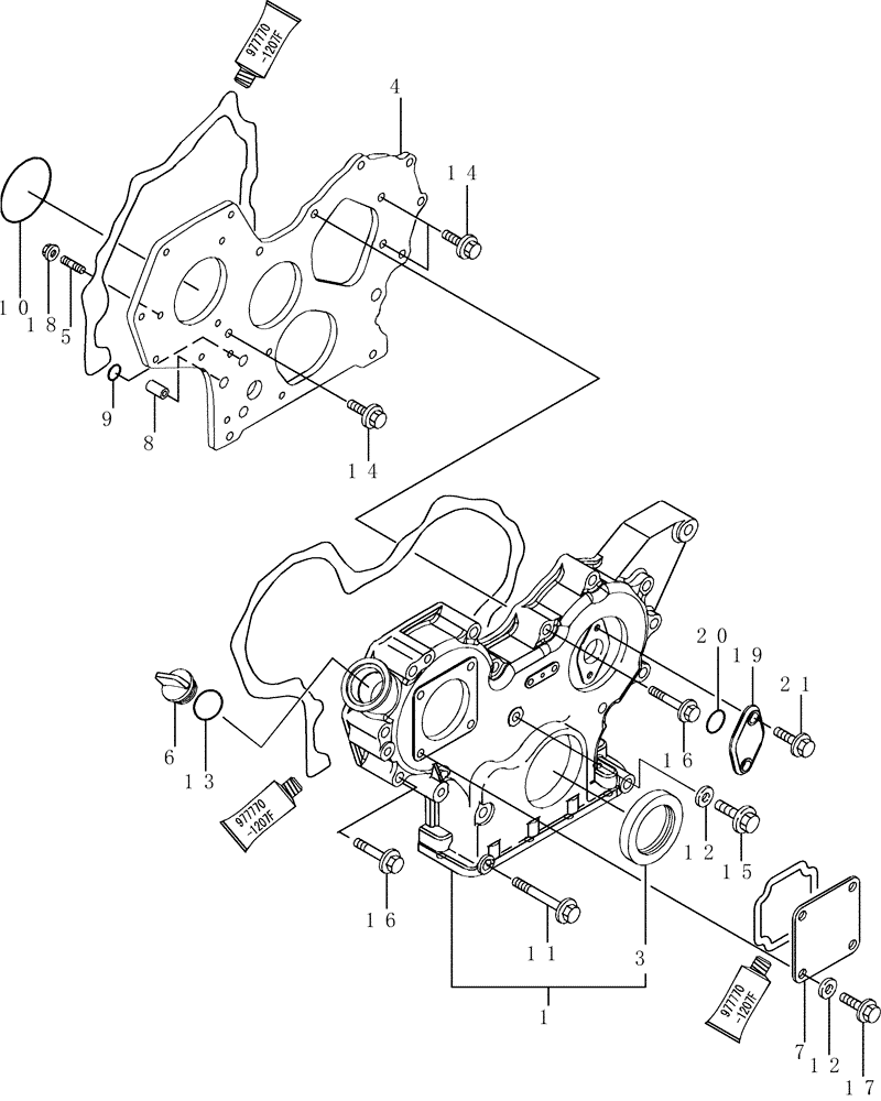
Запчасти Case CX31B (3TNV88-BPYB-4) - GEAR HOUSING (00) - GENERAL & PICTORIAL INDEX

Схема запчастей Case CX31B - (3TNV88-BPYB-4) - GEAR HOUSING (00) - GENERAL & PICTORIAL INDEX
16
14
12
5
12
18
4
9
15
13
17
20
16
11
10
3
21
14
19
8
7
6
1
FIT
1:1
100%

Артикул

Название

Примечание

Количество

1

VV72963001500

GEARBOX

Gear

1шт.

3

VV11993401800

SEAL

Seal, Oil

1шт.

4

VV11980301520

FLANGE

Flange, Gear Case

1шт.

5

VV11980201561

BOLT,M8 x 25mm

Stud, M8x25

3шт.

6

VV12416001751

CAP

Cover, Filler

1шт.

7

VV12424001871

COVER

Ho-p

1шт.

8

VV12979501950

PIPE

Knock L=18

2шт.

9

VV11960932040

O-RING

P16

2шт.

10

VV12185051960

O-RING

F. I. Pump

1шт.

11

VV12900191841

BOLT

M8x85 Plated

3шт.

12

VV22190080002

SEAL

Washer 8s

5шт.

13

VV24311000320

O-RING

1a P 32. 0

1шт.

14

VV26106080162

BOLT,M8 x 16mm

M8x16 Plated

3шт.

15

VV26106080302

BOLT,M8 x 30mm

M8x30 Plated

1шт.

16

VV26106080552

BOLT,M8 x 55mm

M8x55 Plated

12шт.

17

VV26106080162

BOLT,M8 x 16mm

M8x16 Plated

4шт.

18

VV26306080002

NUT,M8

3шт.

19

VV12102301551

CAP

Cover, Blind

1шт.

20

VV24341000240

O-RING

1a S-24. 0

1шт.

21

VV26106060162

BOLT,M6 x 16mm

M6x16 Plated

2шт.

Выбрано товаров: 0