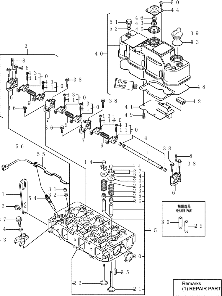
Запчасти Case CX31B (3TNV88-BPYB-8) - CYLINDER HEAD & BONNET (00) - GENERAL & PICTORIAL INDEX

Схема запчастей Case CX31B - (3TNV88-BPYB-8) - CYLINDER HEAD & BONNET (00) - GENERAL & PICTORIAL INDEX
35
14
37
10
6
38
7
38
11
38
46
45
20
14
10
50
49
27
54
26
23
11
10
13
10
38
10
52
15
6
3
43
11
38
9
11
33
51
8
13
55
2
39
7
13
30
24
22
10
13
23
11
31
48
1
36
44
11
13
13
41
24
56
32
21
9
8
4
36
53
29
9
42
40
25
34
FIT
1:1
100%

Артикул

Название

Примечание

Количество

1

VV12990007900

GRAIN LIFTER

Engine

1шт.

2

VV26106080142

BOLT,M8 x 14mm

8x14 Plated

2шт.

3

VV12900411241

SHAFT ASSY.

Rocker

1шт.

4

VV12900411251

SHAFT

Rocker Arm

1шт.

6

VV11980211260

SUPPORT

Rocker Arm

2шт.

7

VV11980211270

SUPPORT

Rocker Arm

2шт.

8

VV11980211280

STUD

3шт.

9

VV12915011280

SPRING

3шт.

10

VV12900411650

ARM ASSY.

Rocker

6шт.

11

VV12915011230

SCREW

Valve

6шт.

13

VV12915011750

NUT

M8xp1. 0

6шт.

14

VV12915011370

CAP

Valve

6шт.

15

VV12900811700

CYLINDER HEAD

Head , Cylinder

1шт.

20

VV27241400000

PLUG

40

2шт.

21

VV12900511100

VALVE

Valve, Intake

3шт.

22

VV12910011112

STD EXHAUST VALVE

STD ENGINE EXHAUST VALVE

3шт.

23

VV12979511120

VALVE SPRING

6шт.

24

VV12979511180

SPRING

Retainer

6шт.

25

VV12140011340

SEAL

Valve Stem

3шт.

26

VV12446011340

SEAL

Valve Stem

3шт.

27

VV27310080001

COTTER PIN

Cotter 8

6шт.

29

VV12013011860

VALVE GUIDE

3шт.

30

VV12915011810

VALVE GUIDE

3шт.

31

VV11980211870

PROTECTOR

Nozzle

3шт.

32

VV11962511880

SEAL

Nozzle

3шт.

33

VV12900411900

RETAINER

Nozzle

3шт.

34

VV12027054410

WASHER

3шт.

35

VV22351060012

SPRING,6 x 12mm

Pin 6x12

2шт.

36

VV26106080252

BOLT,M8 x 25mm

M8x25 Plated

2шт.

37

VV26106080352

BOLT,M8 x 35mm

M8x35 Plated

3шт.

38

VV26106080502

BOLT,M8 x 50mm

M8x50 Plated

6шт.

39

VV12416001751

CAP

Cover, Filler

1шт.

40

VV12900411350

COVER

Bonnet Assy, Head

1шт.

41

VV12900403010

PLATE ASSY.

Baffle

1шт.

42

VV12915003070

BAFFLE

Breather

1шт.

43

VV11980203110

PLATE

Diaphragm

1шт.

44

VV11980203121

COVER

Cover, Diaphragm

1шт.

45

VV11980203130

DIAPHRAGM

1шт.

46

VV11980203141

SPRING

Spring, Diaphragm

1шт.

48

VV12900411310

GASKET

Bonnet

1шт.

49

VV22857500100

SCREW,M5 x 10mm

5x10, Tapping

4шт.

50

VV22857500100

SCREW,M5 x 10mm

5x10, Tapping

4шт.

51

VV12416011360

KNOB

3шт.

52

VV24311000120

O-RING

1a P 12. 0

3шт.

53

VV24311000320

O-RING

1a P-32. 0

1шт.

54

VV12900877800

PLUG

Plug, Glow

3шт.

55

VV12900877820

ELEC CONNECTOR

Connector, Glow Plug

1шт.

56

VV11980377830

WIRE HARNESS

Harness, Glow Plug

1шт.

Выбрано товаров: 48