Запчасти Case CX31B (030-01[1]) - RADIATOR INSTAL (00) - GENERAL & PICTORIAL INDEX

Схема запчастей Case CX31B - (030-01[1]) - RADIATOR INSTAL (00) - GENERAL & PICTORIAL INDEX
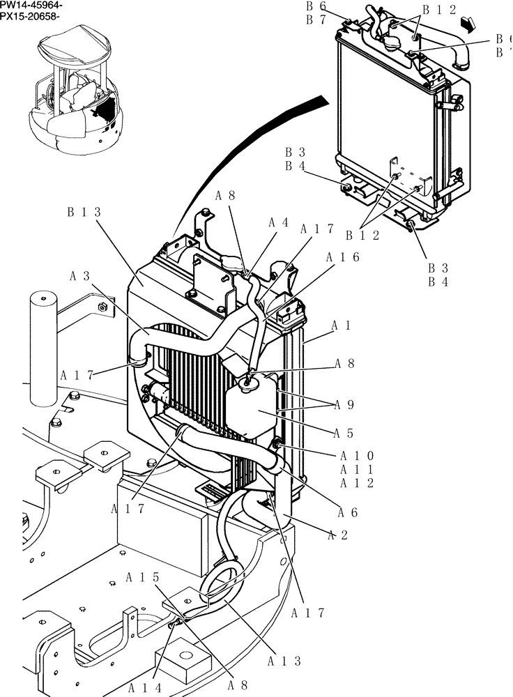
a16
a3
a11
a8
a17
b4
a15
b13
b7
a9
a17
b4
b12
a2
b12
a8
b3
b7
a10
b3
a17
a14
b6
a6
a5
b6
a13
a8
a4
a12
a1
a17
FIT
1:1
100%

Артикул

Название

Примечание

Количество

PW05P00042F1

1шт.

a1

PW05P00040F1

Radiator (See Fig no. 034-01-1)

1шт.

pg.034

1шт.

a2

PW05P01089P1

HOSE

Radiator

1шт.

See(C.P.M)

1шт.

a3

PW05P01088P1

HOSE

Radiator

1шт.

a4

NSS

NOT SOLD SEPARAT

1шт.

a5

PU01P01024F1

RESERVOIR

Tank Assy,Water,Sub

1шт.

a6

ZC46X38014

CLIP

Clamp

1шт.

p.034

1шт.

a8

NSS

NOT SOLD SEPARAT

Clip

4шт.

p.034

1шт.

a9

ZM61C06020

BOLT

Sems

2шт.

a10

ZS18C08016

SCREW,Hex, M8 x 16mm

Cap

1шт.

a11

ZW26X08000

LOCK WASHER

Lock

1шт.

a12

YR21C01161P1

WASHER,9mm ID x 22mm OD x 2.3mm Thk

1шт.

a13

PU13E01002D1

TUBE

1шт.

a14

PW05P01117P1

PLUG

1шт.

a15

NSS

NOT SOLD SEPARAT

Hose

1шт.

a16

PU13E01002D9

TUBE

1шт.

a17

ZC16X03300

FASTENER

Clip

4шт.

PW05P00047F1

Radiator

1шт.

b3

ZS18C10025

SCREW,Hex, M10 x 25mm

2шт.

b4

ZW16H10000

WASHER

2шт.

b6

ZS18C08020

SCREW,Hex, M8 x 20mm

2шт.

b7

ZW16H08000

WASHER

2шт.

b12

ZM73C08020

BOLT,M8x20mm - Course Thread

Sems

4шт.

b13

PW05P01214F1

Shroud ,Radiator (See Fig no. 034-01-1)

1шт.

p.034

1шт.

Выбрано товаров: 29