Запчасти Case CX31B (HC751-72) - CYLINDER ASSY, DOZER (00) - GENERAL & PICTORIAL INDEX

Схема запчастей Case CX31B - (HC751-72) - CYLINDER ASSY, DOZER (00) - GENERAL & PICTORIAL INDEX
18
12
17
11
25
8
16
19
23
24
15
14
6
9
7
21
3
22
1
2
4
20
10
13
15
19
5
16
FIT
1:1
100%

Артикул

Название

Примечание

Количество

PW01V00052F1

CYLINDER

Assy, Dozer

1шт.

PW01V00052F2

HYDRAULIC CYLINDER

Cylinder Assy, Dozer

1шт.

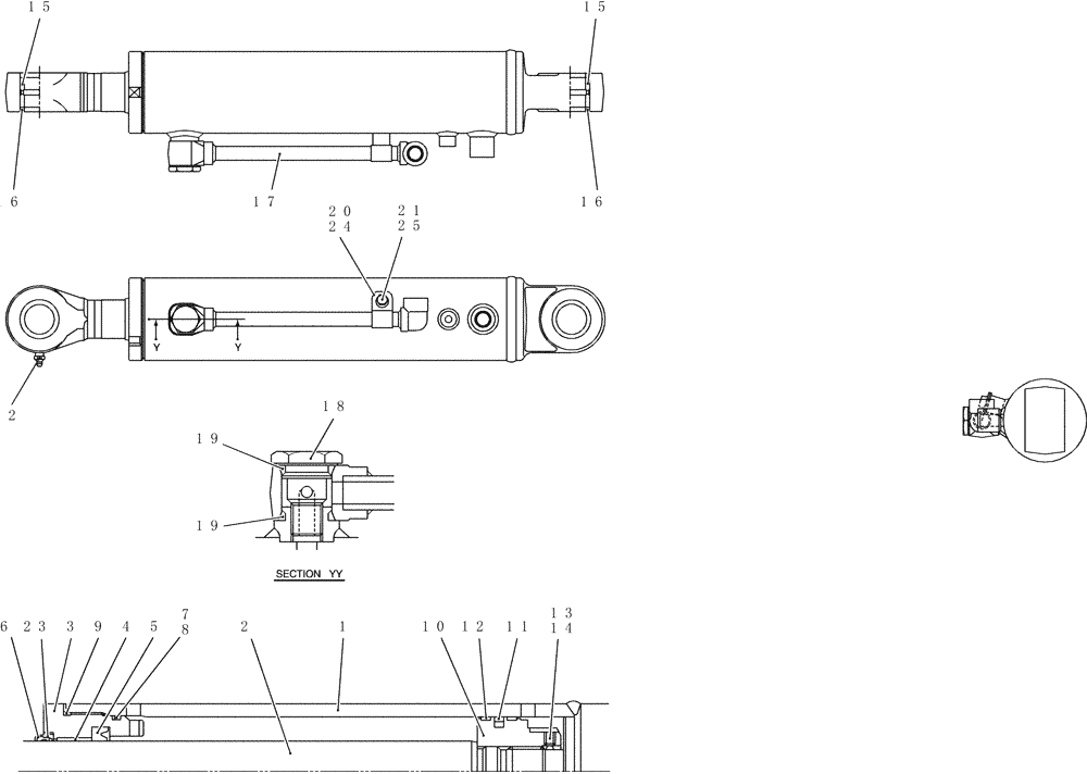
1

NSS

NOT SOLD SEPARAT

Tube Assy

1шт.

2

NSS

NOT SOLD SEPARAT

Rod, Piston

1шт.

3

PW01V00043S003

CYLINDER HEAD

1шт.

4

PW01V00010S004

BUSHING

1шт.

5

2438U635S3

RING

U

1шт.

6

PH01V00006S006

RING

Ring

1шт.

7

ZD12G07500

O-RING,74.40mm ID x 80.60mm OD x 3.10mm

1шт.

8

PH01V00015S008

BACK-UP RING

1шт.

9

ZD11G08000

O-RING,79.40mm ID x 85.60mm OD x 3.10mm

1шт.

10

PW01V00043S015

PISTON

1шт.

11

2438U852S15

RING

Seal

1шт.

12

PH01V00015S017

RING

Slide

2шт.

13

2438U1057S16

SET SCREW

Setscrew

1шт.

14

2436U946S11

BALL

1шт.

15

PW01V00052S015

BUSHING

Bushing

2шт.

16

PW01V00012S020

WIPER SEAL

Ring

4шт.

17

PW01V00052S017

TUBE

Tube

1шт.

18

PH01V00017S027

PLUG

1шт.

19

ZD12P02290

O-RING

2шт.

20

PH01V00017S030

HOLDER

Clamp (For F1 ONLY)

1шт.

21

PH01V00014S027

BOLT

Assy (For F1 ONLY)

1шт.

22

ZG91S02000

LUBE NIPPLE,1/8" NPT x 1/8" NPT

Grease

1шт.

23

PW01V00043S030

CAP

1шт.

24

PW01V00043S032

CLAMP

(For F2 ONLY)

1шт.

25

LF01V00002S034

BOLT

Assy (For F2 ONLY)

1шт.

k

PW01V00052R100

REPAIR KIT

Repair Kit Consists Of Item 1x1, 15x1

1шт.

k

PW01V00052R200

REPAIR KIT

Repair Kit Consists Of Item 2x1, 15x1

1шт.

k

PW01V00048R300

REPAIR KIT

Consists Of Item 5x1, 6x1, 7x1, 8x1

1шт.

Выбрано товаров: 30