Запчасти Case CX31B (718-01[2]) - CONTROL LINES, REMOTE (COOLER) (36) - PNEUMATIC SYSTEM

Схема запчастей Case CX31B - (718-01[2]) - CONTROL LINES, REMOTE (COOLER) (36) - PNEUMATIC SYSTEM
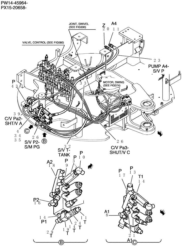
11
29
11
14
1
18
34
8
23
26
17
39
21
19
33
35
24
14
3
43
26
16
4
9
13
14
20
32
10
FIT
1:1
100%

Артикул

Название

Примечание

Количество

PW64H00047F1

Contro, Valve

1шт.

1

PX35V00003F1

VALVE

Assy, Solenoid

1шт.

See(C.P.M)

1шт.

2

PH26V00001F1

VALVE

Assy, Shuttle

1шт.

See(C.P.M)

1шт.

3

YN50V00020F1

HYDRAULIC OIL FILTER

Filter Assy, Inline

1шт.

4

PW64H01072P1

BRACKET

1шт.

5

ZS18C08020

SCREW,Hex, M8 x 20mm

2шт.

6

ZS18C06065

SCREW,Hex, M6 x 65mm

Cap

2шт.

7

ZW16H08000

WASHER

2шт.

8

HH35S04004G1

90 ELBOW

1шт.

9

2444Z3326

HYD CONNECTOR

Connector

1шт.

10

HH35S06006G1

90 ELBOW,90 Degree, 3/8" PF x 3/8" PF x 60mm L

1шт.

11

HH25S06006G1

HYD CONNECTOR

2шт.

13

ZE72X04000

PLUG

1шт.

14

ZE72X06000

PLUG

3шт.

16

HH55L04004G2

TEE

1шт.

17

PW64H01011P1

TEE

1шт.

18

PH64H01057P1

CONNECTION

1шт.

19

YN64H01048P1

TEE,90 Degree, PF 3/8" x PF 3/8", O-Ring

1шт.

20

HH25S04004G1

HYD CONNECTOR

1шт.

21

2444Z2525

HYD CONNECTOR

1шт.

23

HX25L06135DY

HOSE,9.5mm ID x 1350mm L

1шт.

24

HH55Q06006G1

TEE

1шт.

25

HX33L03040DX

HOSE,4.8mm ID x 400mm L

1шт.

26

HX33L03110DX

HOSE,4.8mm ID x 1100mm L

2шт.

27

HX33L03135DX

HOSE,4.8mm ID x 1350mm L

1шт.

28

HX33L03145DX

HOSE,4.8mm ID x 1450mm L

1шт.

29

HH25S04006G1

90 ELBOW

1шт.

30

HX23L03140DX

HOSE,4.8mm ID x 1400mm L

1шт.

32

PW68H01023D9

HOSE,9.5mm ID x 620mm L

1шт.

33

ZC16X01800

CLIP

1шт.

34

ZS18C10035

SCREW,Hex, M10 x 35mm

Cap

2шт.

35

ZW16H10000

WASHER

2шт.

39

HX33L03120DX

HOSE,4.8mm ID x 1200mm L

1шт.

40

HH45S04004G1

45 ELBOW

1шт.

41

ZW16H06000

WASHER

4шт.

42

YJ35V00004F2

SOLENOID VALVE

Valve Solenoid

1шт.

See(C.P.M)

1шт.

43

HH35S04004G2

90 ELBOW

1шт.

44

HX24L04028DX

HOSE

1шт.

45

HX22L04028DX

HOSE,6.3mm ID x 280mm L

1шт.

46

PH64H01053P1

BRACKET

1шт.

47

HX34L04130DX

HOSE,6.3mm ID x 1300mm L

1шт.

48

ZS18C06016

SCREW,Hex, M6 x 16mm

Cap

2шт.

Выбрано товаров: 45