Запчасти Case CX31B (718-29[1]) - CONTROL LINES, REMOTE (COOLER) (36) - PNEUMATIC SYSTEM

Схема запчастей Case CX31B - (718-29[1]) - CONTROL LINES, REMOTE (COOLER) (36) - PNEUMATIC SYSTEM
25
41
15
31-6
15
31-5
8
20
12
38
31
shut/v d-
2
8
16
28
7
6
31-8
s/m sh
42
31
8
8
21
41
31
31-1
37
31-7
21
36
5
21
40
27
30
20
20
FIT
1:1
100%

Артикул

Название

Примечание

Количество

PW64H00089F1

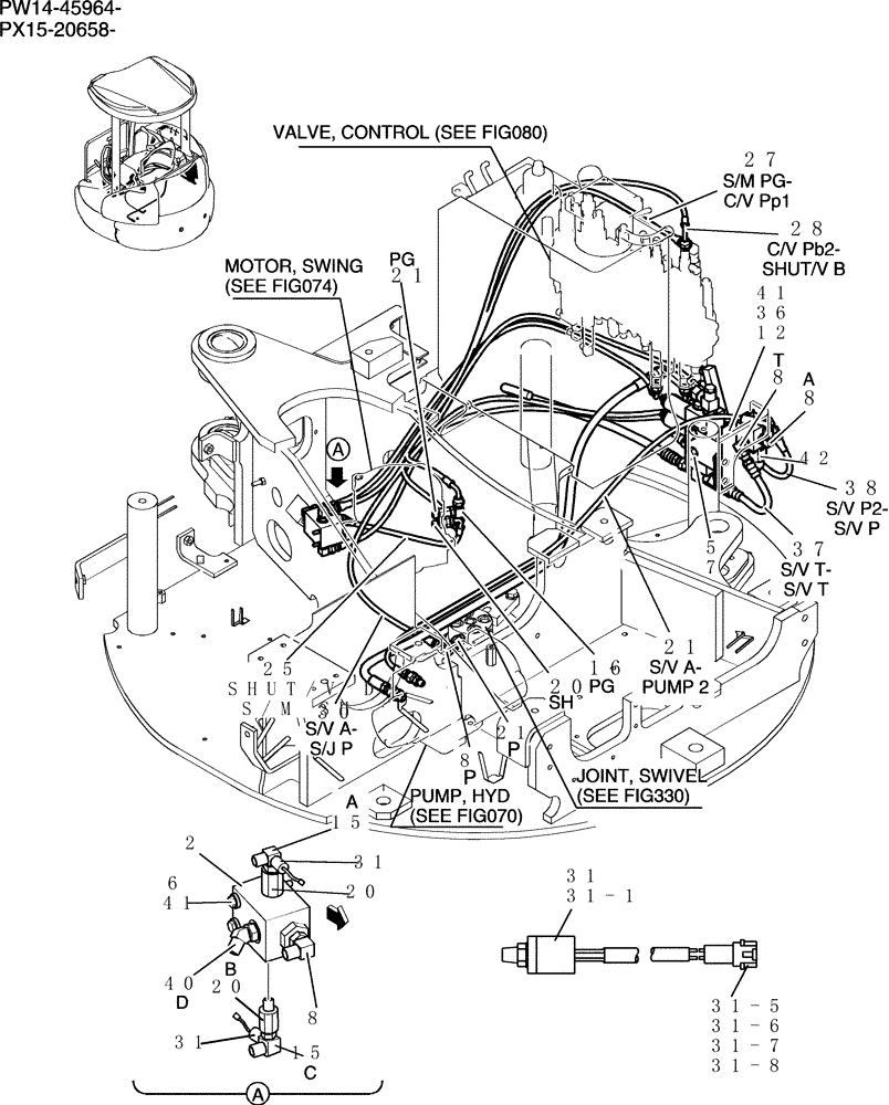
Control , Valve

1шт.

2

PH26V00001F1

VALVE

Assy, Shuttle

1шт.

See(C.P.M)

1шт.

5

ZS18C08020

SCREW,Hex, M8 x 20mm

2шт.

See(C.P.M)

1шт.

6

ZS18C06065

SCREW,Hex, M6 x 65mm

Cap

2шт.

7

ZW16H08000

WASHER

2шт.

8

HH35S04004G1

90 ELBOW

4шт.

12

ZS18C06016

SCREW,Hex, M6 x 16mm

Cap

2шт.

15

2444Z3306

ELBOW

2шт.

16

HH55L04004G2

TEE

1шт.

17

PW64H01011P1

TEE

1шт.

20

HH25S04004G1

HYD CONNECTOR

4шт.

21

2444Z2525

HYD CONNECTOR

2шт.

22

HX34L04130DX

HOSE,6.3mm ID x 1300mm L

1шт.

25

HX33L03040DX

HOSE,4.8mm ID x 400mm L

1шт.

27

HX33L03135DX

HOSE,4.8mm ID x 1350mm L

1шт.

28

HX33L03145DX

HOSE,4.8mm ID x 1450mm L

1шт.

30

HX23L03140DX

HOSE,4.8mm ID x 1400mm L

1шт.

31

GB50S00049F2

SWITCH

Pressure

2шт.

31-1

GB50S00049S001

Switch, Pressure

1шт.

31-5

EN52S01001D2

HYD CONNECTOR

Connector

1шт.

31-6

EN52S01005D2

HYD CONNECTOR

Holder

1шт.

31-7

EN52S01003D1

SEAL

Seal

2шт.

31-8

?N01?01001D2

Terminal

2шт.

36

PH64H01053P1

BRACKET

1шт.

37

HX22L04028DX

HOSE,6.3mm ID x 280mm L

1шт.

38

HX24L04028DX

HOSE

1шт.

40

HH45S04004G1

45 ELBOW

1шт.

41

ZW16H06000

WASHER

4шт.

42

YJ35V0004F2

Valve , Solenoid

1шт.

See(C.P.M)

1шт.

Выбрано товаров: 32