Запчасти Case CX31B (077-01[1]) - HYDRAULIC LINES, CYLINDER (SWING) (00) - GENERAL & PICTORIAL INDEX

Схема запчастей Case CX31B - (077-01[1]) - HYDRAULIC LINES, CYLINDER (SWING) (00) - GENERAL & PICTORIAL INDEX
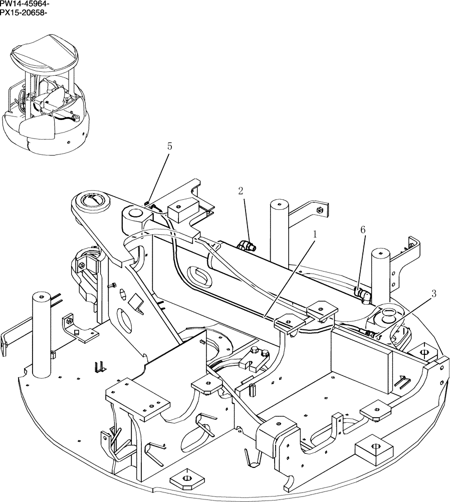
3
5
6
2
1
FIT
1:1
100%

Артикул

Название

Примечание

Количество

PX42H00027F1

Hyd Lines, Cylinder

1шт.

1

PH42H01008DC

HOSE,6.3mm ID x 1050mm L

1шт.

2

HH25S06006G1

HYD CONNECTOR

1шт.

3

PV03H01004P1

90 ELBOW

1шт.

5

ZG91V02000

LUBE NIPPLE,67 Degree x 1/8" PT

1шт.

6

HH45S06006G1

45 ELBOW

Connector

1шт.

Выбрано товаров: 6