Запчасти Case CX31B (141-60[1]) - CONTROL LINES, REMOTE NIBBLER & BREAKER (00) - GENERAL & PICTORIAL INDEX

Схема запчастей Case CX31B - (141-60[1]) - CONTROL LINES, REMOTE NIBBLER & BREAKER (00) - GENERAL & PICTORIAL INDEX
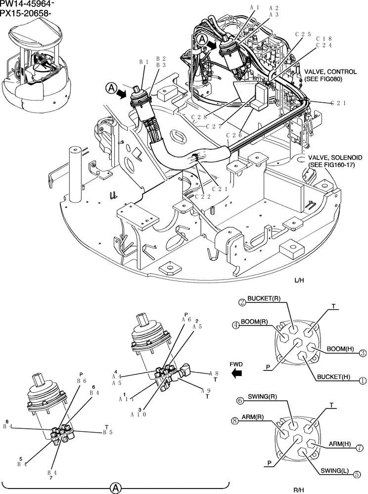
c22
a4
b4
4
a6
b4
c28
b3
b2
1
a3
b4
a9
8
a8
a1
c24
a10
6
a5
b4
b6
c21
a2
5
c26
c27
2
b1
a11
7
a5
c25
c21
c18
b5
3
FIT
1:1
100%

Артикул

Название

Примечание

Количество

CONTROL LINES, REMOTE (NIBBLER & BREAKER)

1шт.

PW64H00037F1

Valve (Right Side Std)

1шт.

a1

PX30V00043F1

VALVE

Assy, Pilot See

1шт.

See(C.P.M)

1шт.

a2

ZS28C06030

SCREW,Hex Socket Head, M6 x 30mm

Caps

4шт.

a3

ZW16X06000

WASHER

4шт.

a4

2444Z2525

HYD CONNECTOR

1шт.

a5

HH35S04004G1

90 ELBOW

2шт.

a6

HH25S04004G3

HYD CONNECTOR

1шт.

a8

HH45S06004G1

45 ELBOW

1шт.

a9

2444Z2894

90 ELBOW

Elbow

1шт.

a10

HH25S04004G1

HYD CONNECTOR

1шт.

a11

PU64H01002P1

HYD CONNECTOR

1шт.

PW64H00038F1

Valve (Left Side Std)

1шт.

b1

PX30V00043F1

VALVE

Assy, Pilot

1шт.

See(C.P.M)

1шт.

b2

ZS28C06030

SCREW,Hex Socket Head, M6 x 30mm

Cap

4шт.

b3

ZW16X06000

WASHER

4шт.

b4

HH25S04004G1

HYD CONNECTOR

4шт.

b5

HH25S06004G3

HYD CONNECTOR

1шт.

b6

HH25S04004G3

HYD CONNECTOR

(With Filter)

1шт.

PW68H00031F1

LINE

Control , Remote

1шт.

c1

HX33L03135DR

HOSE,4.8mm ID x 1350mm L

1шт.

c2

HX23L03110DB

HOSE,4.8mm ID x 1100mm L

1шт.

c3

HX33L03105DG

HOSE

1шт.

c4

HX23L03115DH

HOSE

1шт.

c5

HX23L03330DH

HOSE,4.8mm ID x 3300mm L

1шт.

c6

HX23L03310DR

HOSE,4.8mm ID x 3100mm L

1шт.

c7

HX23L03280DB

HOSE

1шт.

c8

HX23L03270DG

HOSE

1шт.

c9

HX34L04185DX

HOSE,6.3mm ID x 1850mm L

1шт.

c10

HX24L04340DX

HOSE,6.3mm ID x 3400mm L

1шт.

c11

PW68H01023DL

HOSE

1шт.

c12

PW68H01023D5

HOSE,9.5mm ID x 2090mm L

1шт.

c13

ZC16X01800

CLIP

2шт.

c14

ZC46X38014

CLIP

1шт.

c15

ZC46X46014

CLIP

1шт.

c16

ZS18C12020

SCREW,Hex, M12 x 20mm

2шт.

c17

ZW16H12000

WASHER

2шт.

c18

ZS18C08016

SCREW,Hex, M8 x 16mm

Cap

2шт.

c19

PY01P01043D8

CABLE TIE,102mm L

5шт.

c21

PY01P01043D6

CABLE TIE,4.80mm W x 383mm L

3шт.

c22

PM68H01057P1

COVER

1шт.

c24

ZW16H08000

WASHER

1шт.

c25

PW68H01041P1

CLAMP

1шт.

c26

PM68H01054P1

FOAM INSULATION

1шт.

c27

PM68H01055P1

FOAM INSULATION

1шт.

c28

PH68H01042P1

RUBBER

1шт.

Выбрано товаров: 48