Запчасти Case CX31B (152-72[1]) - CONTROL LINES, REMOTE ANGLE DOZER (00) - GENERAL & PICTORIAL INDEX

Схема запчастей Case CX31B - (152-72[1]) - CONTROL LINES, REMOTE ANGLE DOZER (00) - GENERAL & PICTORIAL INDEX
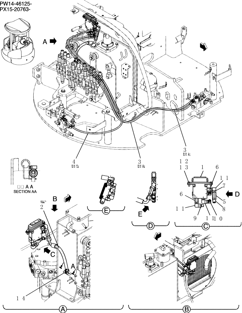
5
13
7
6
11
12
1
2
4
8
11
3
6
9
11
3
14
10
FIT
1:1
100%

Артикул

Название

Примечание

Количество

PW68H00047F1

HYD TUBE

Control, Remote (Dozer)

1шт.

1

PB30V00002F2

PILOT VALVE

Assy

1шт.

See(C.P.M)

1шт.

2

PW68H01024D3

HOSE

1шт.

3

HX33L03200DX

HOSE

2шт.

4

HX24L04180DX

HOSE ASSY.

1шт.

5

2444T2524

HYD CONNECTOR

1шт.

6

2444Z2525

HYD CONNECTOR

2шт.

7

HH35S04004G2

90 ELBOW

1шт.

8

HH25S06004G3

HYD CONNECTOR

1шт.

9

HH25S04004G1

HYD CONNECTOR

(With Filter)

1шт.

10

HH35S04004G1

90 ELBOW

1шт.

11

2444Z2894

90 ELBOW

Elbow

3шт.

12

ZS18C08020

SCREW,Hex, M8 x 20mm

2шт.

13

ZW16H08000

WASHER

2шт.

14

ZC16X01800

CLIP

1шт.

Выбрано товаров: 16