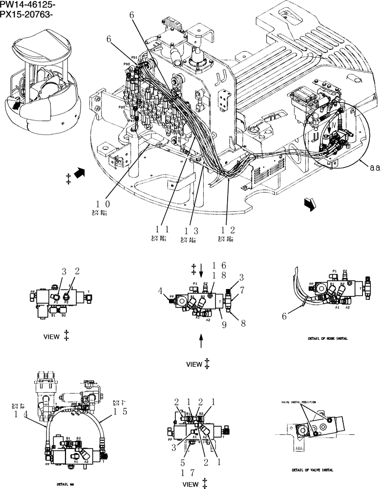
Запчасти Case CX31B (162-72[1]) - CONTROL LINES, REMOTE ANGLE DOZER (00) - GENERAL & PICTORIAL INDEX

Схема запчастей Case CX31B - (162-72[1]) - CONTROL LINES, REMOTE ANGLE DOZER (00) - GENERAL & PICTORIAL INDEX
3
6
5
4
10
7
18
1
11
1
15
9
2
16
3
2
1
2
17
14
12
8
3
2
6
6
13
FIT
1:1
100%

Артикул

Название

Примечание

Количество

PW64H00083F1

Control , Valve

1шт.

1

2444Z2894

90 ELBOW

Elbow

3шт.

2

HH45S04004G1

45 ELBOW

4шт.

3

HH35S04004G1

90 ELBOW

3шт.

4

HH35S04004G2

90 ELBOW

(With Filter)

1шт.

5

ZN18C1008

Nut

1шт.

6

PY01P01043D6

CABLE TIE,4.80mm W x 383mm L

3шт.

7

2444Z4239

TEE

1шт.

8

HH25S04004G1

HYD CONNECTOR

1шт.

9

PE35V00001F2

SOLENOID VALVE

Assy

1шт.

See(C.P.M)

1шт.

10

HX33L03160DX

HOSE

1шт.

11

HX33L03185DX

HOSE

1шт.

12

HX33L03190DX

HOSE

1шт.

13

HX33L03220DX

HOSE

1шт.

14

HX24L04030DX

HOSE

1шт.

15

HX22L04030DX

HOSE

1шт.

16

ZW26K10000

LOCK WASHER

Lock

2шт.

17

ZW16H10000

WASHER

1шт.

18

ZS28C10070

SCREW,Hex Socket Head, M10 x 70mm

Cap

2шт.

Выбрано товаров: 20