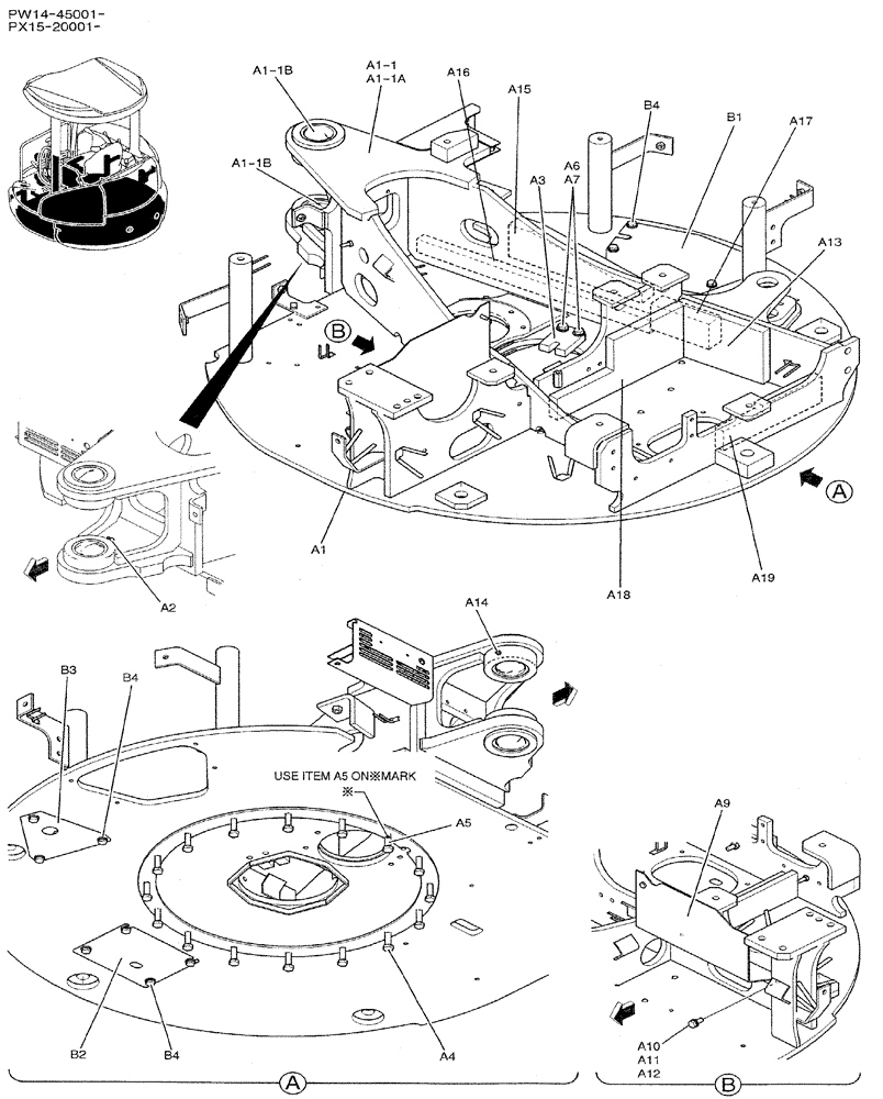
Запчасти Case CX31B (01-001) - FRAME ASSY, UPP (39) - FRAMES AND BALLASTING

Схема запчастей Case CX31B - (01-001) - FRAME ASSY, UPP (39) - FRAMES AND BALLASTING
b4
a6
a1
a1
a12
a13
a2
a3
a10
a1-1a
b3
a18
a1-1b
a1-1b
b2
b4
b4
b1
a17
a4
a9
a5
a7
a1-1b
a19
a11
a1-1
a15
FIT
1:1
100%

Артикул

Название

Примечание

Количество

PW52F00052F1

GROUP, UPP

1шт.

a1

PW52F00055P1

FRAME

UPP

1шт.

a1-1

PW52F01354F1

BRACKET

ASSY

1шт.

a1-1a

PW52F01355P1

1шт.

a1-1b

PW52F01230P1

BUSHING,65mm ID x 80mm OD x 65mm L

2шт.

a2

ZG91U02000

LUBE NIPPLE

1шт.

a3

PW52F01387P1

STOP

1шт.

a4

ZS18C12070

SCREW,Hex, M12 x 70mm

CAP

15шт.

a5

HS58C12070G2

BOLT

CAP

1шт.

a6

ZS18C12040

SCREW,Hex, M12 x 40mm

CAP

2шт.

a7

ZW16H12000

WASHER

2шт.

a9

PW52F01330P1

PLATE

1шт.

ato

ZW26X10000

LOCK WASHER

2шт.

a11

ZW16P10000

WASHER

2шт.

a12

ZS18C10025

SCREW,Hex, M10 x 25mm

2шт.

a13

PW52F01309P1

FOAM INSULATION

1шт.

a14

ZG91S02000

LUBE NIPPLE,1/8" NPT x 1/8" NPT

1шт.

a15

PW52F01416P1

FOAM INSULATION

1шт.

a16

PW52F01417P1

FOAM INSULATION

1шт.

a17

PW52F01418P1

FOAM INSULATION

1шт.

a18

PW52F01420P1

FOAM INSULATION

1шт.

a19

PW52F01421P1

FOAM INSULATION

1шт.

PW24C00005F1

ASSY, UNDER

1шт.

b1

PW24C01039P1

COVER

1шт.

b2

PW24C01042P1

COVER

1шт.

b3

PW24C01041P1

COVER

1шт.

b4

ZM73C10020

BOLT,M10x20mm - Course Thread

SEMS

11шт.

Выбрано товаров: 0