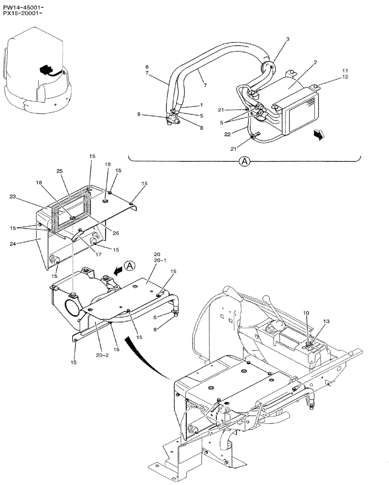
Запчасти Case CX31B (01-074) - HEATER ASSY (WITH HEATER) (50) - CAB CLIMATE CONTROL

Схема запчастей Case CX31B - (01-074) - HEATER ASSY (WITH HEATER) (50) - CAB CLIMATE CONTROL
22
11
25
9
20-2
5
1
20-1
15
15
15
21
5
8
12
3
7
10
18
18
24
6
13
15
5
15
7
26
15
17
2
23
15
8
15
21
15
15
20
FIT
1:1
100%

Артикул

Название

Примечание

Количество

PW21M00013F1

ASSY

1шт.

1

R18T0026D57

HOSE

1шт.

2

PM21M00005F1

HEATER ASSY.

ASSY, Components are NSS, Includes Blower Motor

1шт.

3

PW03M01461P1

GROMMET

1шт.

5

ZC16X02000

CLIP

4шт.

6

R18T0026D59

HOSE

1шт.

7

YN20M01046DW

PROTECTIVE SLEEVE,22.10mm ID x 27.00mm OD x 710.00mm

2шт.

8

2444Z1630

FITTING

2шт.

9

PM21M01018P1

ELBOW

1шт.

10

PY50S00003P2

SWITCH

1шт.

11

PV01P01007P1

WASHER

4шт.

12

ZM11C08016

BOLT

SEMS

4шт.

13

PW17M01019P1

LABEL

1шт.

15

PA03M01093D2

BOLT

SEMS

14шт.

17

PM22C01013DB

WEATHERSEAL STRIP

1шт.

18

2420R429D4

GROMMET

2шт.

20

PW10M01277F1

COVER ASSY

ASSY

1шт.

20-1

PW10M01278P1

COVER

1шт.

20-2

PW10M01242P1

INSULATION

1шт.

21

YN03E01001D5

CLIP

2шт.

22

PW13E01068P1

HARNESS

1шт.

23

PW03M01853P1

COVER

1шт.

24

PW10M01273P1

COVER

1шт.

25

PW21M01026P1

RUBBER STRIP

1шт.

26

PW21M01027P1

RUBBER STRIP

1шт.

Выбрано товаров: 25