Запчасти Case CX31B (01-071) - KEY ASSY (90) - PLATFORM, CAB, BODYWORK AND DECALS

Схема запчастей Case CX31B - (01-071) - KEY ASSY (90) - PLATFORM, CAB, BODYWORK AND DECALS
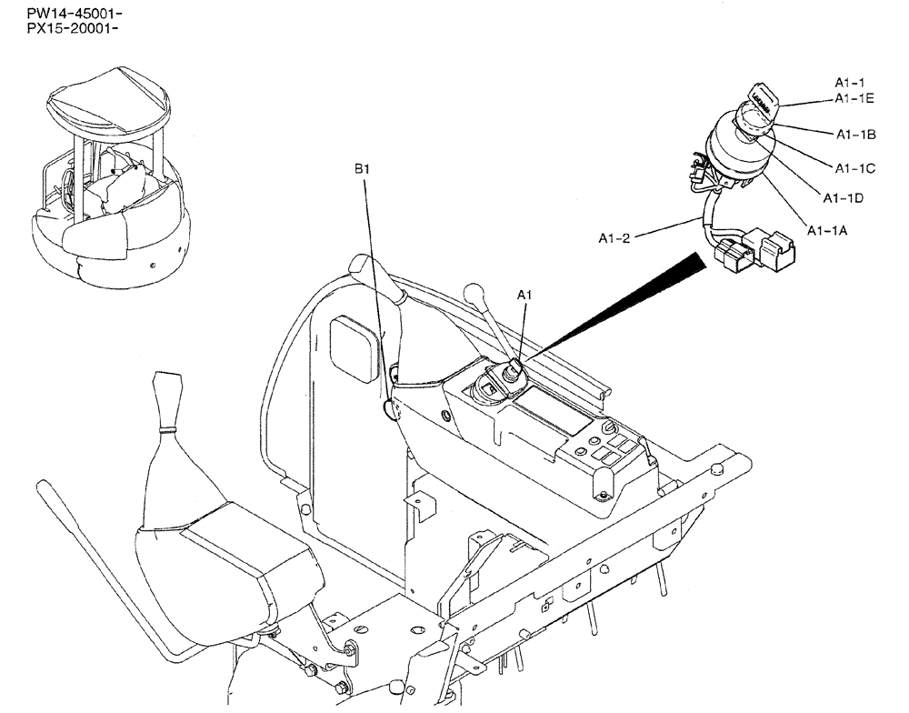
b1
a1-2
a1-1e
a1-1b
a1-1d
a1-1
a1-1c
a1
a1-1a
FIT
1:1
100%

Артикул

Название

Примечание

Количество

.

KEY ASSY PW03M01870F1

1шт.

a1

PW50E00003F1

IGNITION SWITCH

ASSY

1шт.

a1-1

PW50S00007F1

IGNITION SWITCH

ASSY, KEY

1шт.

a1-1a

PW50S00005S001

SWITCH

1шт.

a1-1b

PW50S00004S004

NUT

ASSY

1шт.

a1-1c

YN50S00002S005

WASHER

1шт.

a1-1d

YN50S00002S003

WASHER

2шт.

a1-1e

PM50S01001P1

SET OF 2 KEYS

KEY, LOCK

1шт.

a1-2

PW50E01002P1

HARNESS

1шт.

.

PW22T00112F1

LABEL

INSTAL

1шт.

b1

PW03M01686P1

PLATE

1шт.

Выбрано товаров: 11