Запчасти Case CX31B (01-009) - CLEANER ASSY, AIR (10) - ENGINE

Схема запчастей Case CX31B - (01-009) - CLEANER ASSY, AIR (10) - ENGINE
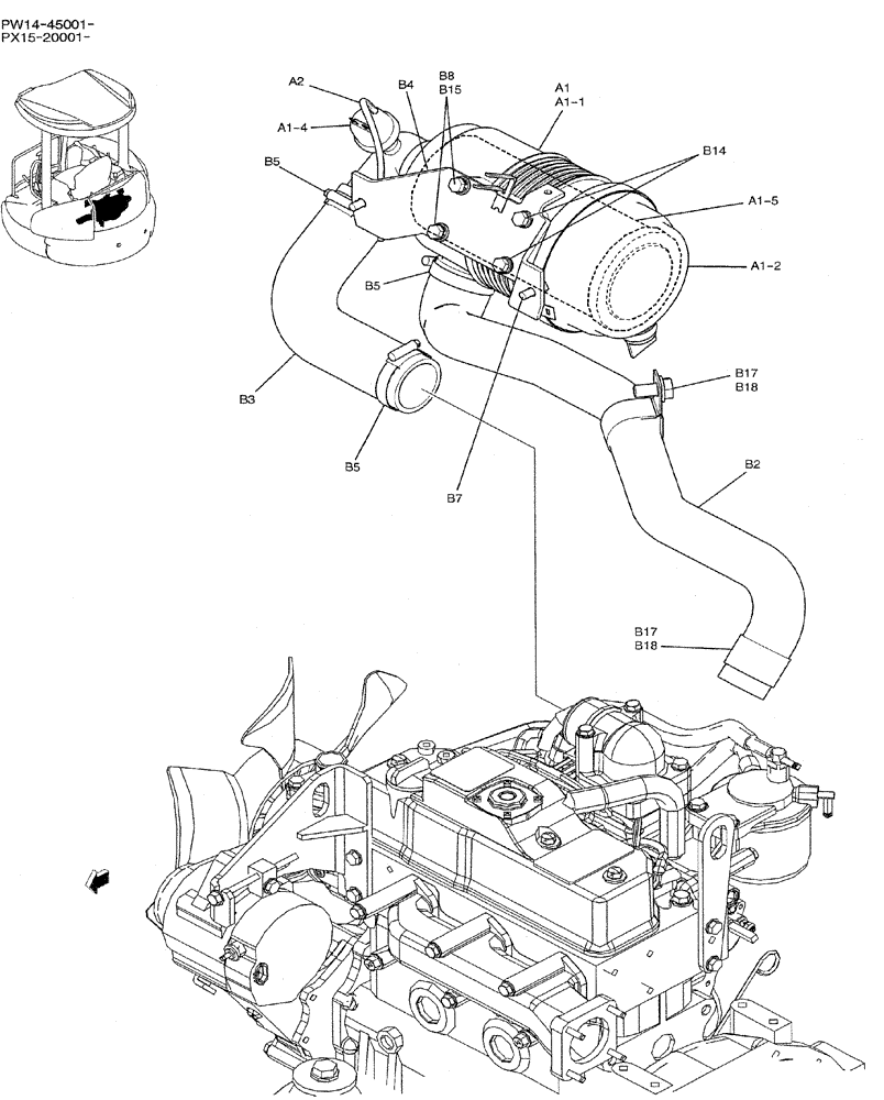
a1
a1-4
b15
a2
b17
b17
a1-2
b5
b14
b5
b2
b18
b7
a1-1
b8
b18
b5
b4
a1-5
b3
FIT
1:1
100%

Артикул

Название

Примечание

Количество

PW11P00021F1

Assembly, Air

1шт.

PW11P00027F1

Installation, Air

1шт.

a1

PW11P00015F1

AIR CLEANER

Assembly

1шт.

a1-1

PW11P00014S001

BODY

Assembly

1шт.

a1-2

PW11P00009S002

COVER ASSY

1шт.

a1-4

PW11P00010S004

INDICATOR

1шт.

a1-5

PW11P00012S005

AIR FILTER

Outer

1шт.

a1-5

PW11P01038P1

AIR FILTER

Inner

1шт.

a2

HX11Y03020DY

HOSE,12.7mm ID x 200mm L

ID 05 x OD 07 x 200mm Long (7-7/8 in)

1шт.

PW11P00020F1

Assembly, Air

1шт.

b2

PW11P01042P1

AIR HOSE

Air

1шт.

b3

PW11P01031P1

HOSE

Air

1шт.

b4

PW11P01034P2

BRACKET

1шт.

b5

ZC16X05800

CLIP

Clamp, Hose -- Min 50 x Max 66mm

3шт.

b7

ZM22C08020

BOLT

M08x1.25x20mm (Incls. Washer & Lockwasher)

2шт.

b8

ZM12C08025

BOLT

M08x1.25x25mm (Incls. Lockwasher)

2шт.

b14

ZM22C08016

BOLT

M08x1.25x16mm (Incls. Washer & Lockwasher)

2шт.

b15

ZW16H08000

WASHER

ID 08 x OD 18 x Th 3.2mm

2шт.

b17

ZM73C12025

BOLT,M12x25mm - Course Thread

M12x1.75x25mm (Incls. Washer)

2шт.

b18

ZC46X46014

CLIP

Ø46mm Single Cable

2шт.

Выбрано товаров: 20