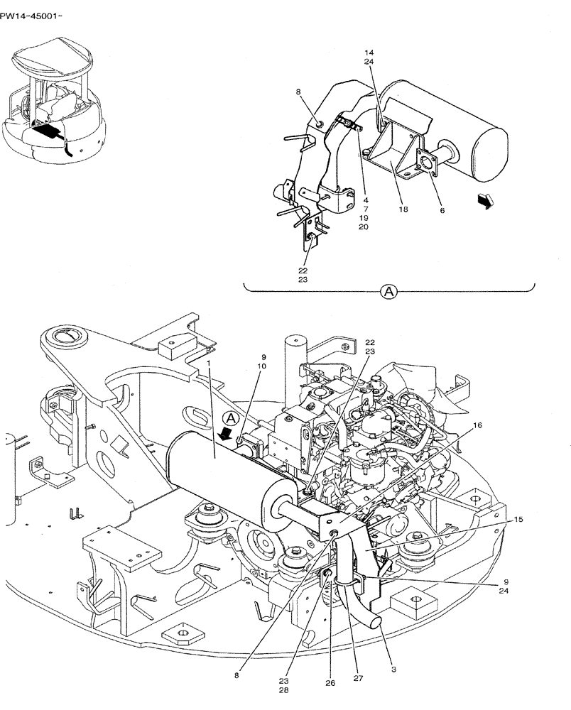
Запчасти Case CX31B (01-010) - MUFFLER ASSY (10) - ENGINE

Схема запчастей Case CX31B - (01-010) - MUFFLER ASSY (10) - ENGINE
9
15
24
20
6
7
22
19
16
26
14
4
23
10
8
23
18
1
3
27
24
8
22
9
28
23
FIT
1:1
100%

Артикул

Название

Примечание

Количество

PW12P00015F1

ASSY

1шт.

1

PW12P00014P1

MUFFLER

1шт.

3

PW12P01061P1

TUBE

EXHAUST

1шт.

4

PH12P01044P1

CLAMP

1шт.

6

PW12P01043P1

GASKET

1шт.

7

ZS18C10060

SCREW,Hex, M10 x 60mm

CAP

1шт.

8

PA21C01133P1

BOLT

SEMS

3шт.

9

ZN18C08007

NUT

8шт.

10

ZW16X08000

WASHER,8mm ID x 17mm OD x 1.6mm Thk

4шт.

14

ZS18C08020

SCREW,Hex, M8 x 20mm

4шт.

15

PW12P01079P1

COVER

1шт.

16

PW12P01065P1

COVER

1шт.

18

PW12P01054P1

BRACKET

1шт.

19

ZN18C10008

NUT

1шт.

20

ZW26X10000

LOCK WASHER

1шт.

22

ZS18C10020

SCREW,Hex, M10 x 20mm

Cap

6шт.

23

ZW16H10000

WASHER

9шт.

24

ZW16H08000

WASHER

6шт.

26

PW12P01068P1

PLATE

1шт.

27

2420T2948D10

U-BOLT

1шт.

28

ZS18C10025

SCREW,Hex, M10 x 25mm

2шт.

Выбрано товаров: 21