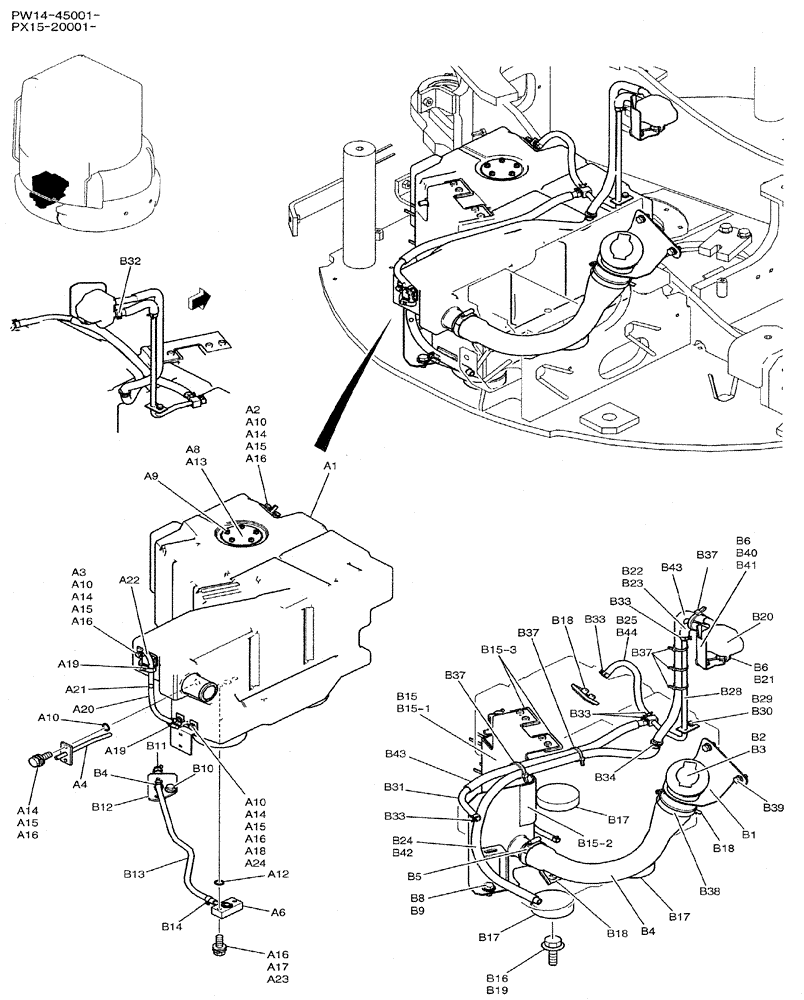
Запчасти Case CX31B (01-013) - TANK ASSY, FUEL (CAB) (10) - ENGINE

Схема запчастей Case CX31B - (01-013) - TANK ASSY, FUEL (CAB) (10) - ENGINE
a24
a10
b6
b33
b55
a14
b33
a2
b11
b32
a14
b10
b42
b41
a16
a15
a22
b1
b30
b29
a18
a17
b22
b14
a12
b39
b28
a15
a21
a9
b15
b37
b37
b40
b15-3
b12
b33
a16
b9
a10
b31
b37
b3
a16
a4
a13
b44
b37
b21
b20
a15
b23
b38
b18
b43
a1
a6
a3
b33
b19
a20
b4
a14
b15-2
b13
b2
a14
b16
b6
b17
a10
a10
a8
b18
a15
a16
a16
b24
b8
b4
a23
b34
b17
b25
a19
a19
b15-1
b43
b18
b17
FIT
1:1
100%

Артикул

Название

Примечание

Количество

PW20P00022F1

TANK

ASSY, FUEL

1шт.

a1

PW20P00030P1

TANK

FUEL

1шт.

a2

PW20P01325P1

FLANGE

1шт.

a3

PW20P01288P1

FLANGE

1шт.

a4

PW20P01272P1

FLANGE

1шт.

a6

PW20P01302P1

FLANGE

1шт.

a8

PW20P01208P1

PACKING

1шт.

a9

ZM61C05012

BOLT

SEMS

5шт.

a10

2445Z1453D2

O-RING

O-RING

4шт.

a12

2445Z1453D9

O-RING

O-RING

1шт.

a13

PX52S00006F1

SENSOR

ASSY, LEVEL

1шт.

a14

ZS18C06016

SCREW,Hex, M6 x 16mm

CAP

8шт.

a15

ZW16X06000

WASHER

8шт.

a16

ZW26X06000

LOCK WASHER

LOCK

10шт.

a17

ZS18C06030

SCREW,Hex, M6 x 30mm

CAP

2шт.

a18

PW20P01364P1

FLANGE

1шт.

a19

LE20P01012P1

CLAMP

2шт.

a20

PW20P01366P1

HOSE

1шт.

a21

LE20P01014P1

BALL

1шт.

a22

PW20P01359P1

BRACKET

1шт.

a23

ZW16H06000

WASHER

2шт.

a24

PW20P01355P1

PLATE

1шт.

PW20P00033F1

INSTAL

1шт.

b1

PW20P01357P2

NECK FILLER

FILLER

1шт.

b2

PW20P01282P1

CAP

1шт.

b3

PW50V00009P1

STRAINER ASSY.

1шт.

b4

PW20P01317P1

HOSE

1шт.

b5

ZC16X05000

CLIP

1шт.

b6

ZW16X08000

WASHER,8mm ID x 17mm OD x 1.6mm Thk

2шт.

b8

ZS18C10020

SCREW,Hex, M10 x 20mm

Cap

2шт.

b9

ZW16H10000

WASHER

2шт.

b10

ZM22C10020

BOLT

SEMS

1шт.

b11

YN05P00010S007

COCK, DRAIN

DRAIN

1шт.

b12

PM05P01046P1

BOSS

BOSS

1шт.

b13

PA21P01005DW

HOSE,7mm ID x 500mm L

1шт.

b14

PH05P01088D6

CLIP

2шт.

b15

PW20P01222F1

BRACKET

ASSY

1шт.

b15-1

PW20P01312P1

BRACKET

1шт.

b15-2

PW20P01227P1

RUBBER

1шт.

b15-3

PW20P01207P1

RUBBER

2шт.

b16

ZS18C10016

SCREW,Hex, M10 x 16mm

CAP

3шт.

b17

PW20P01115P1

RUBBER

3шт.

b18

PW20P01207P1

RUBBER

3шт.

b19

ZW16K10000

WASHER

3шт.

b20

PW20P00039P1

TANK

FUEL

1шт.

b21

ZS18C08020

SCREW,Hex, M8 x 20mm

1шт.

b23

PW20P01348P1

HOSE

1шт.

b24

PW20P01349P1

HOSE

1шт.

b25

PW20P01285D3

HOSE

1шт.

b28

PW20P01353P1

TUBE

1шт.

b29

ZS18C06014

SCREW,Hex, M6 x 14mm

CAP

1шт.

b30

ZW16X06000

WASHER

1шт.

b31

PW20P01285D2

HOSE

1шт.

b32

PH05P01088D7

CLIP,13.6mm - 17.5mm

1шт.

b33

PH05P01088D4

CLIP

5шт.

b34

2420R372D13

GROMMET

1шт.

b37

PY01P01043D3

CABLE TIE,188mm L

5шт.

b38

ZC16X06700

CLIP,58mm - 76mm

1шт.

b39

ZM22C08025

BOLT

SEMS

2шт.

b40

PW20P01318P1

BRACKET

1шт.

b41

ZS18C08014

SCREW,Hex, M8 x 14mm

CAP

1шт.

b42

PW21P01003D7

FLEXIBLE HOSE

1шт.

b43

PU13E01002D7

TUBE

2шт.

b44

PU13E01002DK

TUBE

1шт.

Выбрано товаров: 64