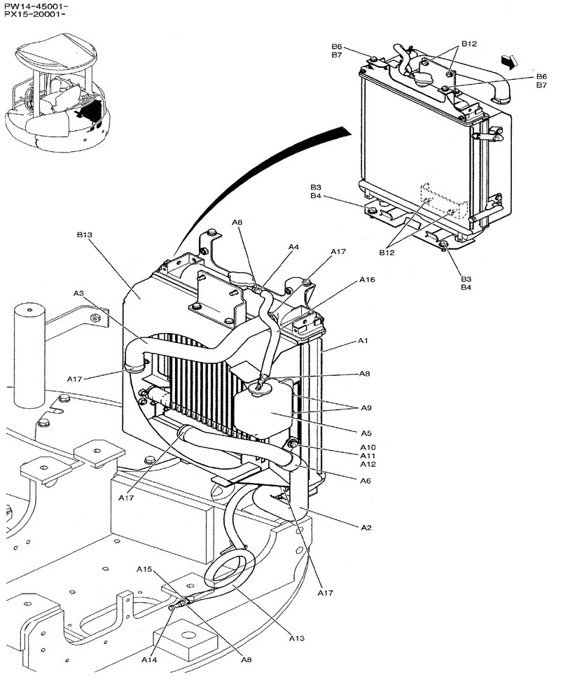
Запчасти Case CX31B (05-003) - RADIATOR INSTAL (COOLER) (10) - ENGINE

Схема запчастей Case CX31B - (05-003) - RADIATOR INSTAL (COOLER) (10) - ENGINE
a2
a17
a8
b4
b12
a14
a16
a10
a8
b3
b4
a17
a9
b6
a5
a15
a4
b7
b6
a11
b13
a3
a17
b3
a12
a17
a13
a1
b12
a8
a6
b7
FIT
1:1
100%

Артикул

Название

Примечание

Количество

PW05P00042F1

GROUP

1шт.

a1

PW05P00040F1

ASSY, SEE FIG. 05-003

1шт.

a2

PW05P01089P1

HOSE

RADIATOR

1шт.

a3

PW05P01088P1

HOSE

RADIATOR

1шт.

a4

NSS

NOT SOLD SEPARAT

1шт.

a5

PU01P01024F1

RESERVOIR

ASSY, WATER, SUB

1шт.

a6

ZC46X38014

CLIP

1шт.

a8

NSS

NOT SOLD SEPARAT

4шт.

a9

ZM61C06020

BOLT

SEMS

2шт.

a10

ZS18C08016

SCREW,Hex, M8 x 16mm

CAP

1шт.

a11

ZW26X08000

LOCK WASHER

Lock

1шт.

a12

YR21C01161P1

WASHER,9mm ID x 22mm OD x 2.3mm Thk

1шт.

a13

PU13E01002D1

TUBE

1шт.

a14

PW05P01117P1

PLUG

1шт.

a15

NSS

NOT SOLD SEPARAT

1шт.

a16

PU13E01002D9

TUBE

1шт.

a17

ZC16X03300

FASTENER

2шт.

PW05P00048F1

INSTAL

1шт.

b3

ZS18C10025

SCREW,Hex, M10 x 25mm

2шт.

b4

ZW16H10000

WASHER

2шт.

b6

ZS18C08020

SCREW,Hex, M8 x 20mm

2шт.

b7

ZW16H08000

WASHER

2шт.

b12

ZM73C08020

BOLT,M8x20mm - Course Thread

SEMS

4шт.

b13

PW05P01217F1

ASSY, RADIATOR, SEE FIG. 05-003

1шт.

Выбрано товаров: 24