Запчасти Case CX31B (08-001) - CYLINDER BLOCK (10) - ENGINE

Схема запчастей Case CX31B - (08-001) - CYLINDER BLOCK (10) - ENGINE
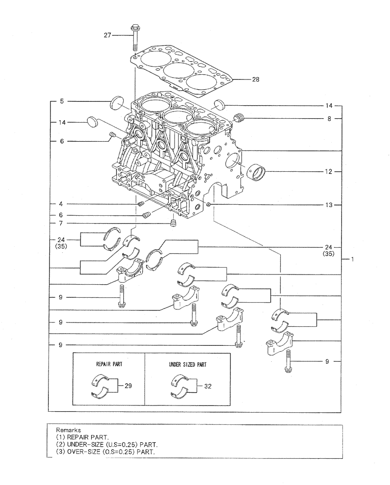
9
32
7
27
9
1
14
35
13
24
14
9
9
8
6
24
12
28
35
4
6
29
5
FIT
1:1
100%

Артикул

Название

Примечание

Количество

1

VV72900501560

CYLINDER,3 Cylinders

BLOCK ASSY

1шт.

4

VV12406001050

PLUG,1/8"

PT 1/8

1шт.

5

VV12900101250

PLUG

50

1шт.

6

VV12416001910

PLUG,1/4"

PT 1/4

2шт.

7

VV12416001910

PLUG,1/4"

PT 1/4

1шт.

8

VV17105101921

PLUG

1шт.

9

VV12915002020

BOLT

METAL CAP

8шт.

12

VV12979502412

BUSHING

BUSH, CAMSHAFT

1шт.

13

VV27241120000

PLUG

12

2шт.

14

VV27241300000

PLUG

30

6шт.

24

VV12915002931

THRUST BEARING

THRUST

2шт.

27

VV12915001200

STUD

CYL. HEAD

14шт.

28

VV12900101340

GASKET

(NON-ASB.)

1шт.

29

VV12900102931

PLATE

MAIN BEARING SET

4шт.

32

VV12915002871

PLATE

MAIN METAL, UNDER-SIZE(US=0.25) PART

4шт.

35

VV12915002941

PLATE

THRUST.25 (4PIE), OVER-SIZE (US=0.25) PART

1шт.

Выбрано товаров: 16