Запчасти Case CX31B (08-005) - SUCTION MANIFOLD (10) - ENGINE

Схема запчастей Case CX31B - (08-005) - SUCTION MANIFOLD (10) - ENGINE
4
5
6
3
8
9
2
40
10
7
1
15
2
FIT
1:1
100%

Артикул

Название

Примечание

Количество

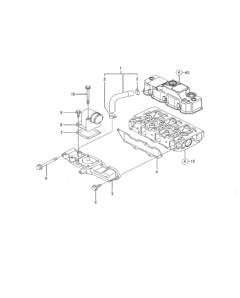
1

VV12900503080

PIPE

BREATHER

1шт.

2

VV12941003990

CLAMP

22

2шт.

3

VV12900512100

INLET MANIFOLD

INTAKE

1шт.

4

VV12900112110

MANIFOLD GASKET

INT

1шт.

5

VV26106080202

BOLT,M8 x 20mm

M8 X 20 PLATED

4шт.

6

VV26106080802

BOLT,M8 x 80mm

M8 X 80 PLATED

1шт.

7

VV12915077511

PACKAGE,SERVICE

GASKET, (NON-ASB.)

1шт.

8

VV11980377520

AIR INTAKE TUBE

BEND

1шт.

9

VV26106080202

BOLT,M8 x 20mm

M8 X 20 PLATED

2шт.

10

VV26106080802

BOLT,M8 x 80mm

M8 X 80 PLATED

2шт.

Выбрано товаров: 10