Качественные детали и логистика
Оригинальные и аналоговые запчасти с доставкой по России, Казахстану и Беларуси
©2022 PartSell ООО "Система" ИНН 2463123282 ОГРН 1212400004838
Центральный офис: г. Красноярск, Академика Киренского, д.87, пом.4
Телефон: 8 (800) 777-65-74 Email: zakaz@partsell.ru
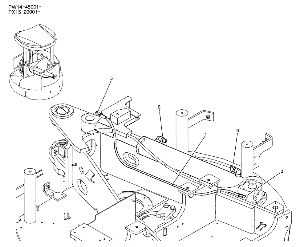
(01-019) - HYD LINES, CYLINDER (SWING)
№
Артикул
Название
Примечание
Количество
PX42H00027F1
HYD, CYLINDER
1шт.
1
PH42H01008DC
HOSE,6.3mm ID x 1050mm L
2
HH25S06006G1
HYD CONNECTOR
3
PV03H01004P1
90 ELBOW
5
ZG91V02000
LUBE NIPPLE,67 Degree x 1/8" PT
6
HH45S06006G1
45 ELBOW
Выбрано товаров: 0