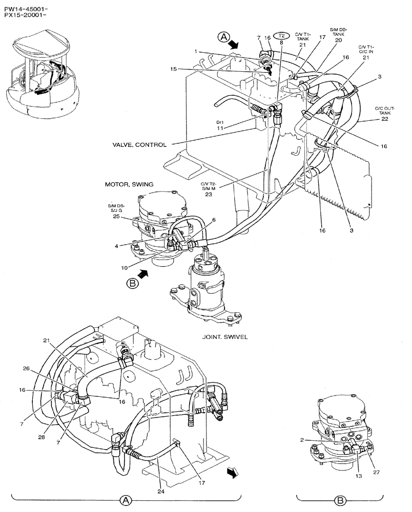
Запчасти Case CX31B (01-024) - HYD LINES, RETURN (35) - HYDRAULIC SYSTEMS

Схема запчастей Case CX31B - (01-024) - HYD LINES, RETURN (35) - HYDRAULIC SYSTEMS
25
7
21
16
21
1
22
16
13
3
10
24
16
15
16
6
16
3
17
4
23
27
21
17
7
7
26
16
8
2
20
28
11
FIT
1:1
100%

Артикул

Название

Примечание

Количество

PW32H00012F1

HYD, RETURN

1шт.

1

HH25R16008G1

HYD CONNECTOR

1шт.

2

2444Z3711

HYD CONNECTOR

1шт.

3

PY01P01043D8

CABLE TIE,102mm L

2шт.

4

HH25R06006G4

HYD CONNECTOR

1шт.

6

HH35S08006G1

90 ELBOW

1шт.

7

PW32H01028P1

ELBOW

3шт.

8

HH35S08008G1

90 ELBOW

1шт.

10

HH35S04006G1

90 ELBOW,90 Degree, 1/4" PF x 3/8" PF x 60mm L

1шт.

11

HH35S06004G1

90 ELBOW

1шт.

13

YN64H01048P1

TEE,90 Degree, PF 3/8" x PF 3/8", O-Ring

1шт.

15

PW21V00003F1

VALVE

ASSY

1шт.

16

ZC16X02800

CLIP

6шт.

17

ZC16X01800

CLIP

2шт.

20

PW68H01023D4

HOSE,9.5mm ID x 1450mm L

1шт.

21

PW32H01026D4

HOSE,19mm ID x 350mm L

2шт.

22

PW32H01026D3

HOSE,19mm ID x 790mm L

1шт.

23

HX22L08100DX

HOSE,12.7mm ID x 1000mm L

1шт.

24

PW68H01023D1

HOSE,9.5mm ID x 250mm L

1шт.

25

HX22L04040DY

HOSE,6.3mm ID x 400mm L

1шт.

26

2444Z3713

HYD CONNECTOR

1шт.

27

HH25S06006G1

HYD CONNECTOR

1шт.

28

PY30H01008P1

TEE,PF 1/2" x PF 1/2"

1шт.

Выбрано товаров: 0