Запчасти Case CX31B (01-032) - CONTROL LINES, REMOTE (NIBBLER & BREAKER) (35) - HYDRAULIC SYSTEMS

Схема запчастей Case CX31B - (01-032) - CONTROL LINES, REMOTE (NIBBLER & BREAKER) (35) - HYDRAULIC SYSTEMS
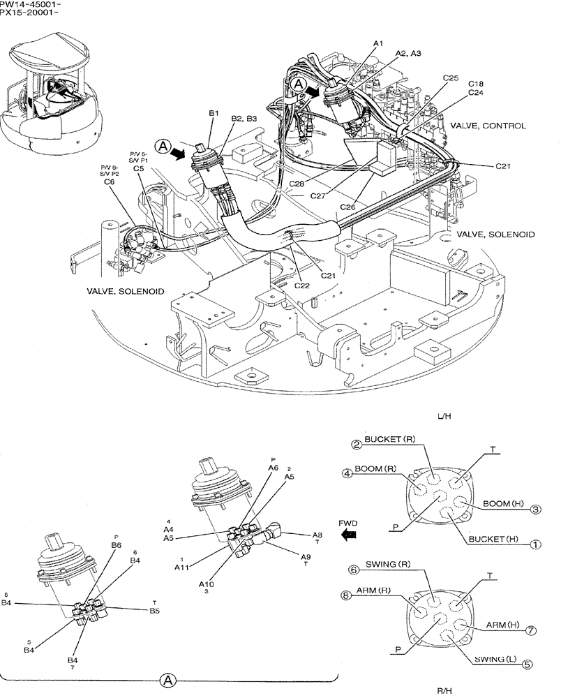
c22
a11
c24
b1
b4
a6
a5
b3
b4
b5
c27
a5
a3
c5
c18
c21
a8
b6
a10
c26
b2
a1
c6
c21
c28
a9
b4
a2
a4
c25
b4
FIT
1:1
100%

Артикул

Название

Примечание

Количество

PW64H00037F1

INSTAL (RIGHT SIDE STD)

1шт.

a1

PX30V00043F1

VALVE

ASSY, PILOT

1шт.

SEE (C.P.M.)

1шт.

a2

ZS28C06030

SCREW,Hex Socket Head, M6 x 30mm

CAP

4шт.

a3

ZW16X06000

WASHER

4шт.

a4

2444Z2525

HYD CONNECTOR

1шт.

a5

HH35S04004G1

90 ELBOW

2шт.

a6

HH25S04004G3

HYD CONNECTOR

1шт.

a8

HH45S06004G1

45 ELBOW

1шт.

a9

2444Z2894

90 ELBOW

1шт.

a10

HH25S04004G1

HYD CONNECTOR

1шт.

a11

PU64H01002P1

HYD CONNECTOR

1шт.

PW64H00038F1

INSTAL (LEFT SIDE STD)

1шт.

b1

PX30V00043F1

VALVE

ASSY

1шт.

b2

ZS28C06030

SCREW,Hex Socket Head, M6 x 30mm

CAP

4шт.

SEE (C.P.M.)

1шт.

b3

ZW16X06000

WASHER

4шт.

b4

HH25S04004G1

HYD CONNECTOR

4шт.

b5

HH25S06004G1

HYD CONNECTOR

1шт.

b6

HH25S04004G3

HYD CONNECTOR

1шт.

PW68H00028F1

LINE

CONTROL, REMOTE

1шт.

c5

HX23L03340DH

HOSE

1шт.

c6

HX23L03360DR

HOSE

1шт.

c18

ZS18C08016

SCREW,Hex, M8 x 16mm

CAP

1шт.

c21

PY01P01043D6

CABLE TIE,4.80mm W x 383mm L

2шт.

c22

PM68H01057P1

COVER

1шт.

c24

ZW16H08000

WASHER

1шт.

c25

PW68H01041P1

CLAMP

1шт.

c26

PM68H01054P1

FOAM INSULATION

1шт.

c27

PM68H01055P1

FOAM INSULATION

1шт.

c28

PH68H01042P1

RUBBER

1шт.

Выбрано товаров: 0