Запчасти Case CX31B (03-004) - CYLINDER INSTAL (CANOPY) (35) - HYDRAULIC SYSTEMS

Схема запчастей Case CX31B - (03-004) - CYLINDER INSTAL (CANOPY) (35) - HYDRAULIC SYSTEMS
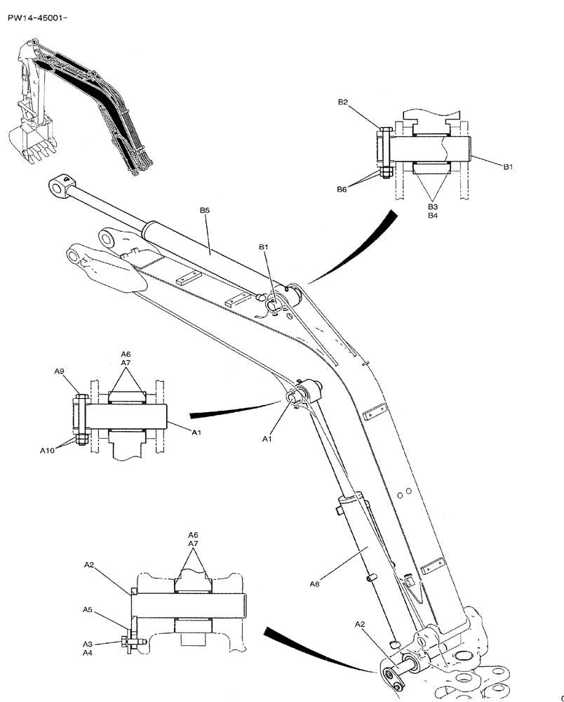
a1
b4
a3
a2
b3
a9
a8
b2
a1
b5
b1
a6
b6
a10
a7
a7
b1
a6
a4
a5
a2
FIT
1:1
100%

Артикул

Название

Примечание

Количество

PW02B00122F1

INSTAL

1шт.

a1

PW02B01306P1

PIN,45mm OD x 151mm L

1шт.

a2

PX02B01263P1

PIN,45mm OD x 187mm L

1шт.

a3

ZS18C10020

SCREW,Hex, M10 x 20mm

Cap

1шт.

a4

ZW26X10000

LOCK WASHER

1шт.

a5

2418T21137

WASHER

1шт.

a6

YJ12B01097P1

SHIM,47mm ID x 70mm OD x 0.5mm Thk

2шт.

a7

PR02B01121D1

SHIM,47mm ID x 70mm OD x 0.9mm Thk

3шт.

a8

PW01V00068F1

CYLINDER,Double Acting, 45mm Rod, 585mm Stroke

ASSY, BOOM

1шт.

SEE (C.P.M.)

1шт.

a9

HS18G10085G2

CAP

1шт.

a10

ZN18C10008

NUT

2шт.

PW02B00120F1

INSTAL

1шт.

b1

PW02B01306P1

PIN,45mm OD x 151mm L

1шт.

b2

HS18C10085G2

BOLT

CAP

1шт.

b3

YJ12B01097P1

SHIM,47mm ID x 70mm OD x 0.5mm Thk

1шт.

b4

PR02B01121D1

SHIM,47mm ID x 70mm OD x 0.9mm Thk

2шт.

b5

PW01V00070F1

CYLINDER

ASSY, ARM

1шт.

SEE (C.P.M.)

1шт.

b6

ZN18C10008

NUT

2шт.

Выбрано товаров: 0