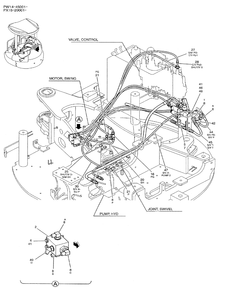
Запчасти Case CX31B (05-007) - CONTROL LINES, REMOTE (COOLER), P/N PH26V00001F1 (35) - HYDRAULIC SYSTEMS

Схема запчастей Case CX31B - (05-007) - CONTROL LINES, REMOTE (COOLER), P/N PH26V00001F1 (35) - HYDRAULIC SYSTEMS
40
8
8
16
21
28
2
42
5
8
41
8
20
25
46
48
41
30
45
6
21
27
44
8
7
47
8
FIT
1:1
100%

Артикул

Название

Примечание

Количество

PW64H00047F1

CONTROL LINES

1шт.

2

PH26V00001F1

VALVE

ASSY, SHUTTLE

1шт.

5

ZS18C08020

SCREW,Hex, M8 x 20mm

2шт.

6

ZS18C06065

SCREW,Hex, M6 x 65mm

CAP

2шт.

7

ZW16H08000

WASHER

2шт.

8

HH35S04004G1

90 ELBOW

6шт.

16

HH55L04004G2

TEE

1шт.

20

HH25S04004G1

HYD CONNECTOR

1шт.

21

2444Z2525

HYD CONNECTOR

2шт.

25

HX33L03040DX

HOSE,4.8mm ID x 400mm L

1шт.

27

HX33L03135DX

HOSE,4.8mm ID x 1350mm L

1шт.

28

HX33L03145DX

HOSE,4.8mm ID x 1450mm L

1шт.

30

HX23L03140DX

HOSE,4.8mm ID x 1400mm L

1шт.

40

HH45S04004G1

45 ELBOW

1шт.

41

ZW16H06000

WASHER

4шт.

42

YJ35V00004F2

SOLENOID VALVE

ASSY, SOLENOID

1шт.

SEE (C.P.M.)

1шт.

44

HX24L04028DX

HOSE

1шт.

45

HX22L04028DX

HOSE,6.3mm ID x 280mm L

1шт.

46

PH64H01053P1

BRACKET

1шт.

47

HX34L04130DX

HOSE,6.3mm ID x 1300mm L

1шт.

48

ZS18C06016

SCREW,Hex, M6 x 16mm

CAP

2шт.

Выбрано товаров: 0