Запчасти Case CX31B (05-009) - CONTROL LINES, REMOTE (WITH A PUMP Z PORT) (35) - HYDRAULIC SYSTEMS

Схема запчастей Case CX31B - (05-009) - CONTROL LINES, REMOTE (WITH A PUMP Z PORT) (35) - HYDRAULIC SYSTEMS
b8
a17
b13
b27
a10
a16
b7
b30
a1
b21
b4
b28
a12
b2
a4
a15
a6
b13
a18
a7
b34
b41
a13
b25
b16
a9
a1
a3
b8
a9
b20
b5
a1
a11
a7
a5
a15
a8
b8
b40
b8
b6
a6
a14
a3
b35
a5
a4
b21
a10
FIT
1:1
100%

Артикул

Название

Примечание

Количество

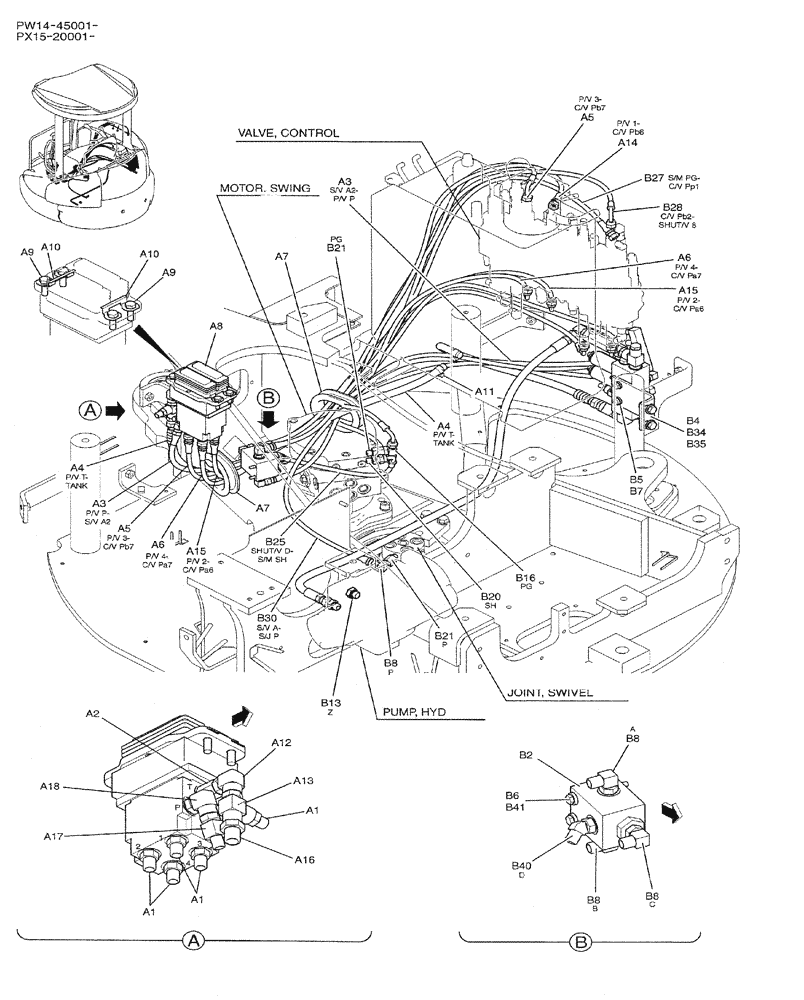
PW62H00029F1

CONTROL LINES

1шт.

a1

HH25S04004G1

HYD CONNECTOR

5шт.

a2

2444Z2525

HYD CONNECTOR

1шт.

a3

HX24L04145DX

HOSE,6.3mm ID x 1450mm L

1шт.

a4

PW68H01023DA

HOSE,9.5mm ID x 800mm L

1шт.

a5

HX33L03150DX

HOSE

1шт.

a6

HX33L03125DX

HOSE,4.8mm ID x 1250mm L

1шт.

a7

PW62H01001P1

GROMMET

2шт.

a8

PM30V00019F6

PILOT VALVE

ASSY, PILOT

1шт.

SEE (C.P.M.)

1шт.

a9

ZS18C08025

SCREW,Hex, M8 x 25mm

CAP

4шт.

a10

PW62H01003P1

PLATE

2шт.

a11

ZC16X01800

CLIP

1шт.

a12

2444Z2894

90 ELBOW

1шт.

a13

HH55Q04004G1

TEE,1/4" ORB x 1/4" JIC x 1/4" JIC

1шт.

a14

HX23L03160DX

HOSE

1шт.

a15

HX33L03135DX

HOSE,4.8mm ID x 1350mm L

1шт.

a16

HH25S06004G1

HYD CONNECTOR

1шт.

a17

HH55L04004G1

TEE

1шт.

a18

PH62H01003P1

ELBOW

(WITH FILTER)

1шт.

PW64H00069F1

CONTROL LINES

1шт.

b2

PH26V00001F1

VALVE

ASSY, SHUTTLE

1шт.

b4

PW64H01072P1

BRACKET

1шт.

b5

ZS18C08020

SCREW,Hex, M8 x 20mm

2шт.

b6

ZS18C06065

SCREW,Hex, M6 x 65mm

CAP

2шт.

b7

ZW16H08000

WASHER

2шт.

b8

HH35S04004G1

90 ELBOW

4шт.

b13

ZE72X04000

PLUG

1шт.

b16

HH55L04004G2

TEE

1шт.

b20

HH25S04004G1

HYD CONNECTOR

1шт.

b21

2444Z2525

HYD CONNECTOR

2шт.

b25

HX33L03040DX

HOSE,4.8mm ID x 400mm L

1шт.

b27

HX33L03135DX

HOSE,4.8mm ID x 1350mm L

1шт.

b28

HX33L03145DX

HOSE,4.8mm ID x 1450mm L

1шт.

b30

HX23L03140DX

HOSE,4.8mm ID x 1400mm L

1шт.

b34

ZS18C10030

SCREW,Hex, M10 x 30mm

CAP

2шт.

b35

ZW16H10000

WASHER

2шт.

b40

HH45S04004G1

45 ELBOW

1шт.

b41

ZW16H06000

WASHER

2шт.

Выбрано товаров: 0