Запчасти Case CX31B (HC370-01[2]) - MOTOR ASSY, PROPELLING (35) - HYDRAULIC SYSTEMS

Схема запчастей Case CX31B - (HC370-01[2]) - MOTOR ASSY, PROPELLING (35) - HYDRAULIC SYSTEMS
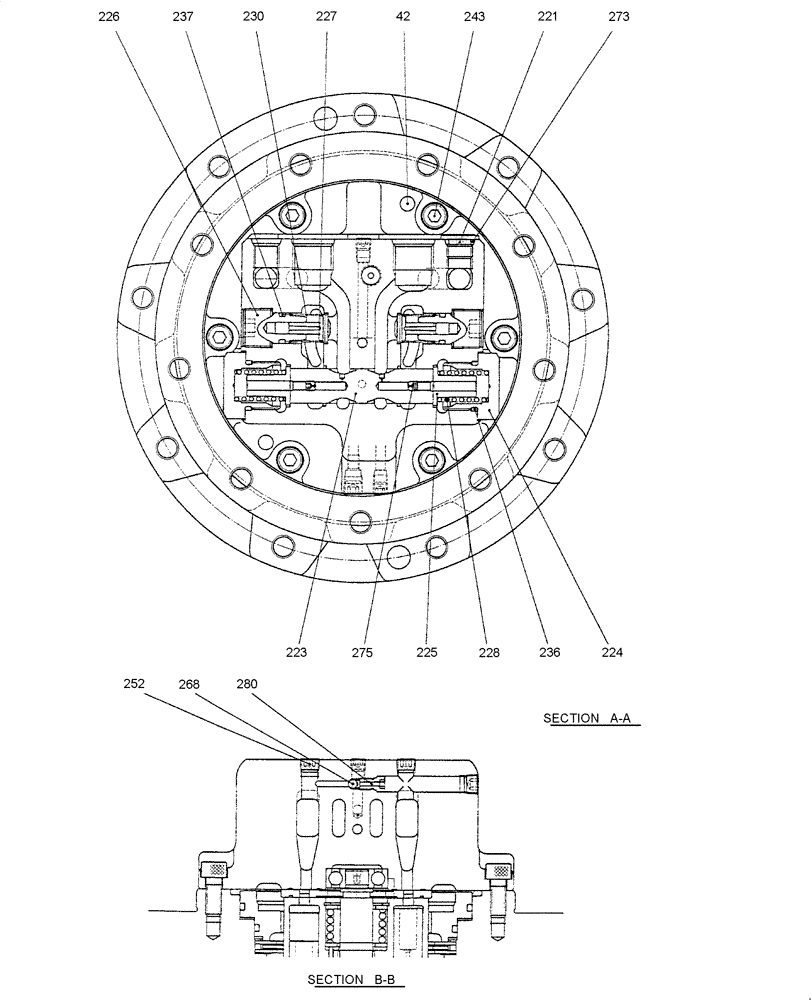
228
280
230
224
225
221
243
42
223
227
268
252
273
236
226
275
237
FIT
1:1
100%

Артикул

Название

Примечание

Количество

42

72951506

PIN

2шт.

221

72950415

PLUG

1шт.

223

NS

NOT SERVICED

1шт.

224

72950612

PLUG

2шт.

225

72950613

BUSHING

2шт.

226

72950408

PLUG

2шт.

227

72950409

VALVE

2шт.

228

72950614

SPRING

2шт.

230

72950410

SPRING

2шт.

236

72209822

O-RING

2шт.

237

72209829

O-RING

2шт.

243

72210248

SCREW,Hex Socket Head, M8 x 20mm

2шт.

252

72951584

PLUG

3шт.

268

72950616

BALL

1шт.

273

72283080

O-RING

1шт.

275

72950617

ORIFICE

2шт.

280

72950618

PLUG

1шт.

900

72280188

REPAIR KIT

- ASSY SEE 31

1шт.

901

72280189

REPAIR KIT

- ASSY SEE 104-106

1шт.

902

72280190

REPAIR KIT

- ASSY SEE 161-163

1шт.

903

72280191

REPAIR KIT

- ASSY SEE 54, 201, 221, 223-228, 230, 236, 237, 252, 263, 264, 266, 268, 273, 275, 279, 280, 299

1шт.

904

72280192

REPAIR KIT

- ASSY SEE 201, 223

1шт.

905

72950603

REPAIR KIT

- ASSY SEE 263, 264

1шт.

906

72280193

REPAIR KIT

- ASSY SEE 31, 35, 37, 43, 44, 132, 135, 139, 236, 237, 273

1шт.

Выбрано товаров: 24