Запчасти Case CX31B (030-01[1]) - RADIATOR (10) - ENGINE

Схема запчастей Case CX31B - (030-01[1]) - RADIATOR (10) - ENGINE
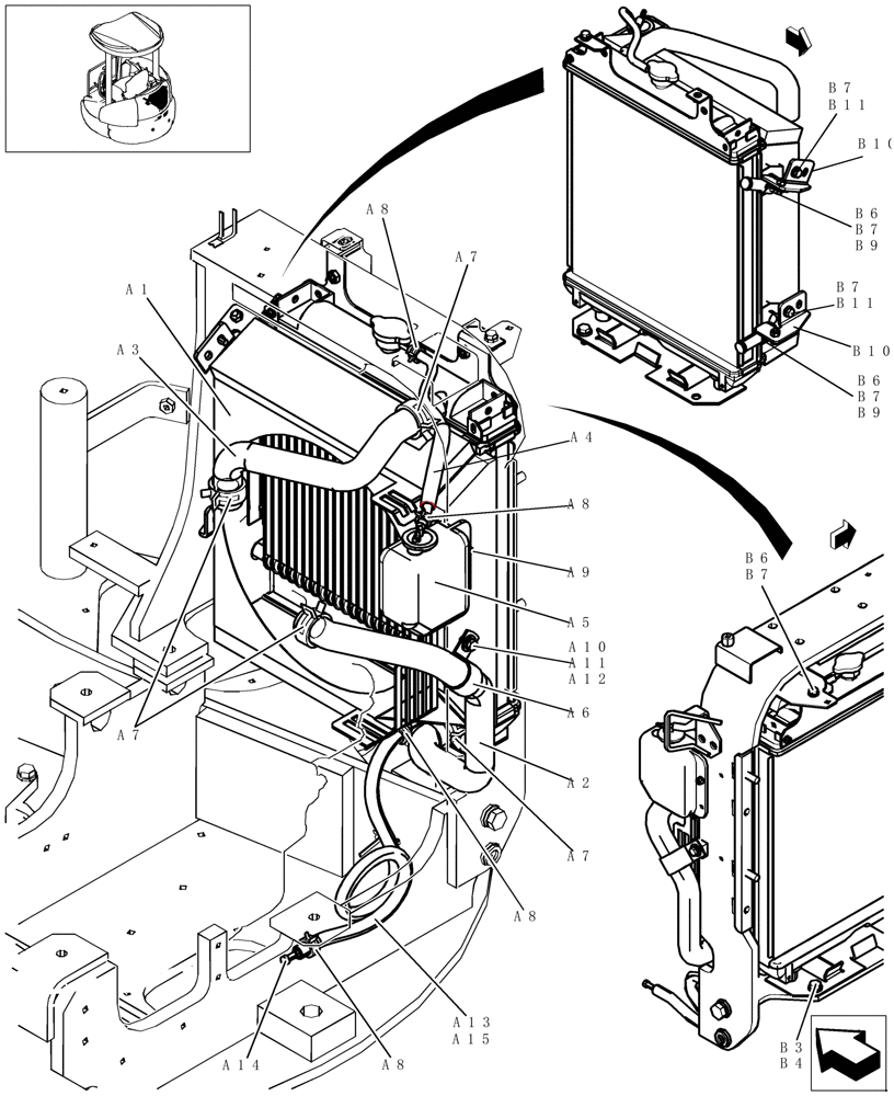
a9
a7
b7
b7
a12
b6
a8
b7
a13
a4
a8
a3
b9
a1
a14
a6
a2
b6
b3
b4
a7
b10
a8
b11
b6
b7
b9
a10
a11
b10
b7
a15
b11
a8
a7
a5
FIT
1:1
100%

Артикул

Название

Примечание

Количество

-

72280530

SET OF PARTS

1шт.

a1/a16

72280531

RADIATOR

1шт.

a1

72280532

SET OF PARTS

- ASSY SEE P.034

1шт.

a2

72280533

LARGE HOSE

HOSE,LARGE

1шт.

a3

72280534

LARGE HOSE

HOSE,LARGE

1шт.

a4

NS

NOT SERVICED

1шт.

a5

72271530

TANK

1шт.

a6

72951597

CLIP

1шт.

a7

72950593

CLIP

4шт.

a8

NS

NOT SERVICED

4шт.

a9

72951649

BOLT

2шт.

a10

72951684

SCREW

1шт.

a11

12581579

WAVE WASHER,Wave, M7.4

1шт.

a12

72209113

WASHER

1шт.

a13

72950996

TUBE,13.2 mm ID, 17.5 mm OD, 640 mm Length

1шт.

a14

72280535

PLUG

1шт.

a15

NS

NOT SERVICED

1шт.

a16

72283543

FLEXIBLE HOSE

1шт.

UP TO S/N PW11-30468

1шт.

FROM S/N PW11-30135

1шт.

a16

72952548

TUBE,13.2 mm ID, 17.5 mm OD, 300 mm Length

1шт.

FROM S/N PW11-30469

1шт.

b3/b11

72280536

RADIATOR

1шт.

b3

47045387

SCREW

2шт.

b4

47045385

WASHER

2шт.

b6

72951685

SCREW

4шт.

b7

13559021

WASHER

8шт.

b9

72280537

PLATE

2шт.

FROM S/N PW11-30012

1шт.

b10

72280538

PLATE

2шт.

FROM S/N PW11-30012

1шт.

b11

72951684

SCREW

4шт.

Выбрано товаров: 32