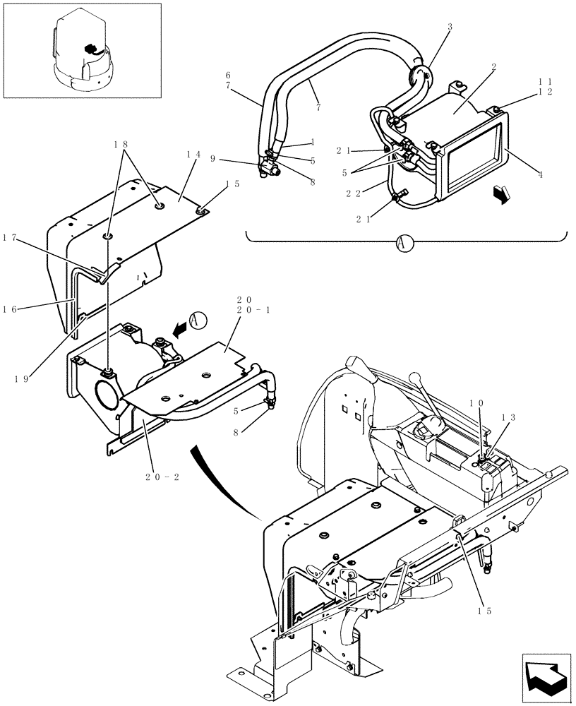
Запчасти Case CX31B (282-18[1]) - CONDITIONING (WITH HEATER) (50) - CAB CLIMATE CONTROL

Схема запчастей Case CX31B - (282-18[1]) - CONDITIONING (WITH HEATER) (50) - CAB CLIMATE CONTROL
a
a
21
10
3
8
15
17
9
20-1
20
6
16
1
13
21
4
5
11
5
7
18
5
15
19
8
7
2
22
20-2
12
14
FIT
1:1
100%

Артикул

Название

Примечание

Количество

1/22

72284862

HEATER ASSY.

1шт.

1

72281009

HOSE,12.00 mm ID x 1150.00 mm

1шт.

2

72273817

HEATER

1шт.

3

72281010

GROMMET

1шт.

4

72281011

RUBBER SLEEVE

1шт.

5

72951590

CLIP

4шт.

6

72281012

HEATER HOSE,12.00 mm ID x 1250.00 mm

1шт.

7

72281013

FLEXIBLE HOSE

2шт.

8

72273844

FITTING

2шт.

9

72273830

FITTING

1шт.

10

72273841

SWITCH

1шт.

UP TO S/N PW11-30337

1шт.

FROM S/N PW11-30001

1шт.

10

72280246

SWITCH

1шт.

FROM S/N PW11-30338

1шт.

11

72951009

WASHER

4шт.

12

72951629

BOLT

4шт.

13

72281014

LABEL

1шт.

14

72281015

COVER

1шт.

15

72950531

BOLT

10шт.

16

72281499

RUBBER WEATHERSTRIP

1шт.

17

72950890

RUBBER WEATHERSTRIP

1шт.

18

72281017

GROMMET

2шт.

19

72281018

INSULATOR

1шт.

20

72284865

COVER ASSY

1шт.

20-1

72284164

COVER

1шт.

20-2

72284868

INSULATOR

1шт.

21

72203537

CABLE TIE,203mm L

2шт.

22

72281022

HARNESS

1шт.

Выбрано товаров: 29