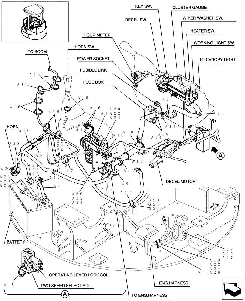
Запчасти Case CX31B (312-01[1]) - ELECTRIC SYSTEM - HARNESS UPPER FRAME (55) - ELECTRICAL SYSTEMS

Схема запчастей Case CX31B - (312-01[1]) - ELECTRIC SYSTEM - HARNESS UPPER FRAME (55) - ELECTRICAL SYSTEMS
a24
a7
a24
a25
a20
a24
a27
a16
a20
a16
a25
a10
a28
a16
a11
a14
a13
a14
a8
a26
a21
a3
a16
a21
a18
a16
a19
a12
a16
a23
a16
a14
a1
a14
a12
a14
a22
a4
a16
a22
a23
a9
a26
a16
a16
a21
a23
a25
a23
a22
a16
a22
a5
a24
a13
a25
FIT
1:1
100%

Артикул

Название

Примечание

Количество

-

72280874

SET OF PARTS

1шт.

a1/a28

72285451

SET OF PARTS

1шт.

UP TO S/N PW11-30045

1шт.

FROM S/N PW11-30001

1шт.

a1/a28

72281101

SET OF PARTS

1шт.

FROM S/N PW11-30046

1шт.

a1

72285452

RELAY

1шт.

UP TO S/N PW11-30045

1шт.

FROM S/N PW11-30001

1шт.

a1

72285453

RELAY

1шт.

UP TO S/N PW11-30052

1шт.

FROM S/N PW11-30046

1шт.

a1

72281102

SET OF PARTS

- ASSY SEE P.327

1шт.

UP TO S/N PW11-30321

1шт.

FROM S/N PW11-30053

1шт.

a1

72286176

RELAY

1шт.

UP TO S/N PW11-30322

1шт.

a3

72281103

HORN

1шт.

a4

72281104

CABLE

1шт.

a5

72281105

CABLE

1шт.

a7

72281106

GROMMET

1шт.

a8

72281107

GROMMET

1шт.

UP TO S/N PW11-30275

1шт.

FROM S/N PW11-30001

1шт.

a8

72282258

GROMMET

1шт.

FROM S/N PW11-30276

1шт.

a9

72281108

GROMMET

1шт.

a10

72281109

GROMMET

1шт.

a11

72281110

CLIP

1шт.

a12

72952963

CLIP

2шт.

a13

72951537

CLIP

2шт.

a14

72203537

CABLE TIE,203mm L

5шт.

a16

72951497

CLIP

21шт.

a18

72951649

BOLT

2шт.

a19

72951684

SCREW

1шт.

UP TO S/N PW11-30321

1шт.

FROM S/N PW11-30053

1шт.

a20

72951683

SCREW

3шт.

FROM S/N PW11-30053

1шт.

a21

72951691

SCREW

2шт.

a22

14447124

WASHER

5шт.

a23

72951753

WASHER

4шт.

a24

12581579

WAVE WASHER,Wave, M7.4

5шт.

a25

72951762

LOCK WASHER

4шт.

a26

72210038

NUT

2шт.

a27

72211310

NUT

2шт.

a28

72951629

BOLT

1шт.

Выбрано товаров: 47