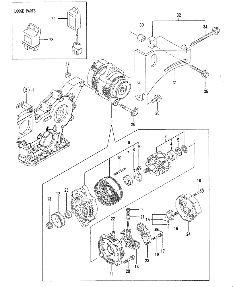
Запчасти Case CX31B (ENGINE-15[1]) - CURRENT GENERATOR (55) - ELECTRICAL SYSTEMS

Схема запчастей Case CX31B - (ENGINE-15[1]) - CURRENT GENERATOR (55) - ELECTRICAL SYSTEMS
28
20
14
25
2
13
30
32
29
31
19
22
12
5
3
9
4
8
27
18
7
17
21
11
26
23
35
24
6
15
34
10
36
16
FIT
1:1
100%

Артикул

Название

Примечание

Количество

1/36

72280316

SET OF PARTS

1шт.

1

72280446

ALTERNATOR

1шт.

2

72280447

NUT

1шт.

3

72280448

ROTOR

1шт.

4

72280449

BALL

1шт.

5

72280550

COVER

1шт.

6

72280551

FLANGE

1шт.

7

72280552

BALL

1шт.

8

72280553

PLATE

1шт.

9

72280554

SCREW

4шт.

10

72280555

BOLT

2шт.

11

72280556

FLANGE

1шт.

12

72280557

PULLEY

1шт.

13

72280558

NUT

1шт.

14

72280559

HOLDER

1шт.

15

72280560

HOLDER

1шт.

16

72280561

SCREW

6шт.

17

72280562

SCREW

1шт.

18

72280563

BOLT

3шт.

19

72280564

SCREW

2шт.

20

72280565

BOLT

2шт.

21

72280566

ELECTRIC INSULATION

1шт.

22

72280567

NUT

2шт.

23

72280568

VOLTAGE REGULATOR

1шт.

24

72280569

COVER

1шт.

25

72280570

COLLAR

1шт.

26

72280571

BOLT

M10x76

1шт.

27

72280572

NUT,M10

1шт.

28

72281260

RELAY

1шт.

29

72273635

SWITCH

1шт.

30

72280574

SPACER

1шт.

31

72280575

ADJUSTER

1шт.

32

72961956

LATCH

1шт.

34

72282940

BOLT

8*100

1шт.

35

72969236

BOLT,M8 x 60mm

M8x60

1шт.

36

72959187

SCREW,M8 x 16mm

M8x16

2шт.

Выбрано товаров: 36