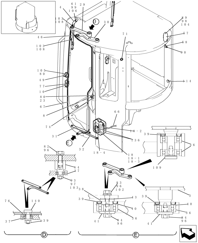
Запчасти Case CX31B (180-01[3]) - CAB - COMPONENTS (90) - PLATFORM, CAB, BODYWORK AND DECALS

Схема запчастей Case CX31B - (180-01[3]) - CAB - COMPONENTS (90) - PLATFORM, CAB, BODYWORK AND DECALS
76
18-2
114
18-3
18
96
93
136
80
d
40
46
41
108
36
39
e
90
77
103
43
61
32
37
108
39
18-1
71
57
96
140
96
40
37
4
31
41
96
97
82
29
67
30
99
14
103
74
66
38
139
109
83
80
36
10
18-4
84
106
8
89
103
105
39
58
102
49
98
36
104
23
3
84
FIT
1:1
100%

Артикул

Название

Примечание

Количество

4

72280867

LINK

1шт.

8

72206136

HOOK

1шт.

10

72280868

STOP

1шт.

14

72285160

PIN

2шт.

18

72271475

TANK

1шт.

18-1

72957492

TANK

1шт.

18-2

72953533

ELECTRIC MOTOR

1шт.

18-3

72957493

BRACKET

1шт.

18-4

72957494

BRACKET

1шт.

23

72951580

BALL SOCKET

1шт.

29

72950693

LINK

1шт.

30

72950683

LINK

1шт.

31

72950944

LINK

1шт.

32

72282093

LINK

1шт.

36

72950942

BEARING

5шт.

37

72950943

BEARING

4шт.

38

72950685

PIN

2шт.

39

72950689

SEAL

4шт.

40

72214620

SEALING RING

3шт.

41

72950687

WASHER

3шт.

43

72950686

SHIM,1.0mm Thk

4шт.

46

72950658

SPRING

1шт.

49

72950691

STRIKER PLATE

1шт.

57

72950983

LIGHT

1шт.

58

72951564

HOOK

1шт.

61

72952913

BUSHING

1шт.

66

72280870

TUBE,6 mm Diameter, 3750 mm Length

1шт.

67

72951562

SEAL

1шт.

71

72950374

GROMMET

1шт.

74

72950674

BLOCK

1шт.

76

72950688

COLLAR

2шт.

77

72951646

BOLT

2шт.

80

72951737

SCREW

4шт.

82

47045396

SCREW

2шт.

83

72951685

SCREW

2шт.

84

72951684

SCREW

3шт.

89

72951733

BOLT,Phillips Drive, Pan HD, M4 x 16mm

2шт.

90

72951732

BOLT,Phillips Drive, Pan HD, M4 x 12mm

2шт.

93

72951655

NUT

6шт.

96

12581579

WAVE WASHER,Wave, M7.4

7шт.

97

12601279

WAVE WASHER,6.40mm ID x 12mm OD x 0.50mm, 2.60mm H, STL, ZND

4шт.

98

72951759

LOCK WASHER

2шт.

99

72951749

WASHER

1шт.

102

14447124

WASHER

2шт.

103

13550221

WASHER

8шт.

104

72951748

WASHER

2шт.

105

72950669

WASHER

1шт.

106

72951674

RING

1шт.

108

72951672

RING

2шт.

109

72950695

BOLT

1шт.

114

72950852

GROMMET

1шт.

136

72954865

BOLT

2шт.

139

72282094

BOLT

2шт.

140

72282095

NUT

2шт.

Выбрано товаров: 54