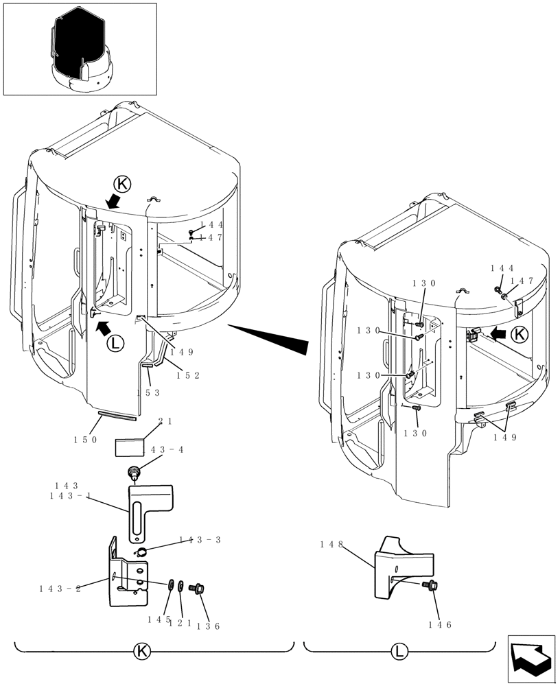
Запчасти Case CX31B (180-01[5]) - CAB - COMPONENTS (90) - PLATFORM, CAB, BODYWORK AND DECALS

Схема запчастей Case CX31B - (180-01[5]) - CAB - COMPONENTS (90) - PLATFORM, CAB, BODYWORK AND DECALS
143-2
143
145
130
149
136
143-3
146
143-4
147
130
144
152
148
153
147
149
121
21
130
144
143-1
150
130
FIT
1:1
100%

Артикул

Название

Примечание

Количество

21

72956805

GASKET

1шт.

121

72280875

SHIM,0.5mm Thk

0.5

2шт.

UP TO S/N PW11-30359

1шт.

FROM S/N PW11-30001

1шт.

130

72285287

SCREW

8шт.

FROM S/N PW11-30360

1шт.

136

72954865

BOLT

2шт.

143

72282098

BRACKET

1шт.

143-1

72282099

PLATE

1шт.

143-2

72282100

PLATE

1шт.

143-3

72282101

SPRING

1шт.

143-4

72282102

PIN

2шт.

144

72282103

STOP

1шт.

145

72282104

SHIM,1.0mm Thk

1.0

2шт.

UP TO S/N PW11-30359

1шт.

FROM S/N PW11-30001

1шт.

146

72282105

BOLT

2шт.

UP TO S/N PW11-30359

1шт.

FROM S/N PW11-30001

1шт.

147

72282106

NUT

1шт.

148

72282107

HOLDER

1шт.

UP TO S/N PW11-30359

1шт.

FROM S/N PW11-30001

1шт.

149

72951574

SEAL

1шт.

UP TO S/N PW11-30359

1шт.

FROM S/N PW11-30001

1шт.

149

72276068

PLUG

1шт.

FROM S/N PW11-30360

1шт.

150

72285163

STRIP

1шт.

152

72285164

GASKET

1шт.

FROM S/N PW11-30338

1шт.

153

72285165

GASKET

1шт.

FROM S/N PW11-30338

1шт.

Выбрано товаров: 33