Запчасти Case CX31B (063-60[1]) - OIL TANK (NIBBLER & BREAKER) (10) - ENGINE

Схема запчастей Case CX31B - (063-60[1]) - OIL TANK (NIBBLER & BREAKER) (10) - ENGINE
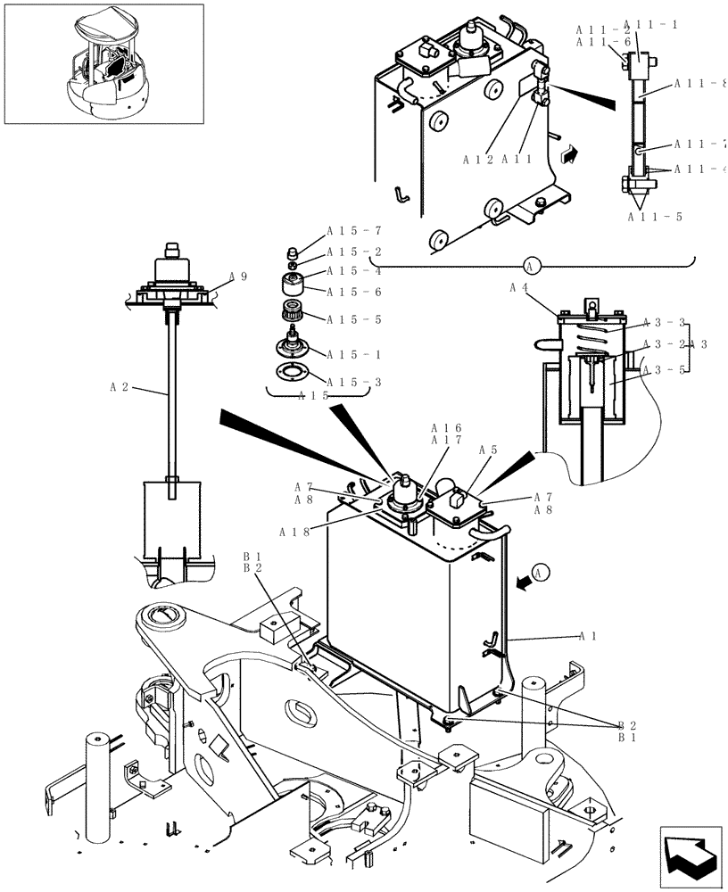
a15-1
a9
a15-7
a15
a5
a15-4
a11-2
a12
a4
a7
a18
a11-1
a7
b2
a2
a15-3
a15-5
a3-3
a15-6
a8
a3-2
b1
a8
b2
a11
a3-5
a
a11-4
a1
a
a11-8
a11-6
a11-7
a11-5
a16
a3
b1
a15-2
a17
FIT
1:1
100%

Артикул

Название

Примечание

Количество

-

72280655

SET OF PARTS

1шт.

a1/a18

72284846

RESERVOIR, HYDRAULIC

1шт.

a1

72280657

TANK

1шт.

a2

72282237

STRAINER ELEMENT

1шт.

a3

72284847

FILTER ASSY

1шт.

a3-2

72280659

VALVE

1шт.

a3-3

72280660

SPRING

1шт.

a3-5

72281464

HYDRAULIC OIL FILTER

1шт.

a4

72216400

O-RING

1шт.

a5

72280661

COVER

1шт.

a7

12581579

WAVE WASHER,Wave, M7.4

8шт.

a8

72951684

SCREW

8шт.

a9

72219150

O-RING

1шт.

a11

72280662

LEVEL GAUGE

1шт.

a11-1

NS

NOT SERVICED

2шт.

a11-2

NS

NOT SERVICED

2шт.

a11-4

NS

NOT SERVICED

4шт.

a11-5

NS

NOT SERVICED

4шт.

a11-6

NS

NOT SERVICED

2шт.

a11-7

NS

NOT SERVICED

1шт.

a11-8

NS

NOT SERVICED

1шт.

a12

72954682

LABEL

1шт.

a15

72284639

PLUG

1шт.

a15-1

72953885

BODY

1шт.

a15-2

72958081

NUT

1шт.

a15-3

72958082

PACKING

1шт.

a15-4

72958101

PLATE

1шт.

a15-5

72281517

BREATHER

1шт.

a15-6

72958102

COVER

1шт.

a15-7

72954044

CAP COVER

1шт.

a16

72951725

SCREW,Hex Socket Head, M6 x 16mm

4шт.

a17

72951756

SEAL

4шт.

a18

72281524

COVER

1шт.

900

72285428

KIT

- ASSY SEE A3-5, A4

1шт.

b1/b2

72280664

SET OF PARTS

1шт.

b1

72951702

SCREW

4шт.

b2

72283448

WASHER

4шт.

Выбрано товаров: 37